EasyManua.ls Logo

Daewoo KOR-1A0A0A - Trouble 4: Display;Control Issues

Daewoo KOR-1A0A0A
51 pages
Print Icon
To Next Page IconTo Next Page
To Next Page IconTo Next Page
To Previous Page IconTo Previous Page
To Previous Page IconTo Previous Page
Loading...
35
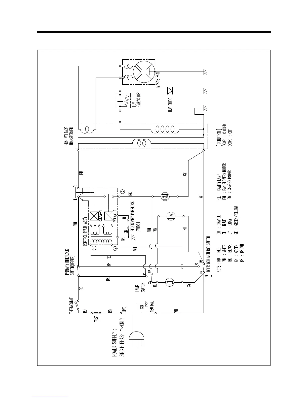
10. WIRING DIAGRAM
1)KOR-1A1G(H)9A27, 1A7G9A27, 1A9H9A27, 1A1H9A37, 1A4H9A27

Related product manuals