EasyManua.ls Logo

Daewoo KOR-1A0A0A - Page 46

Daewoo KOR-1A0A0A
51 pages
Print Icon
To Next Page IconTo Next Page
To Next Page IconTo Next Page
To Previous Page IconTo Previous Page
To Previous Page IconTo Previous Page
Loading...
45
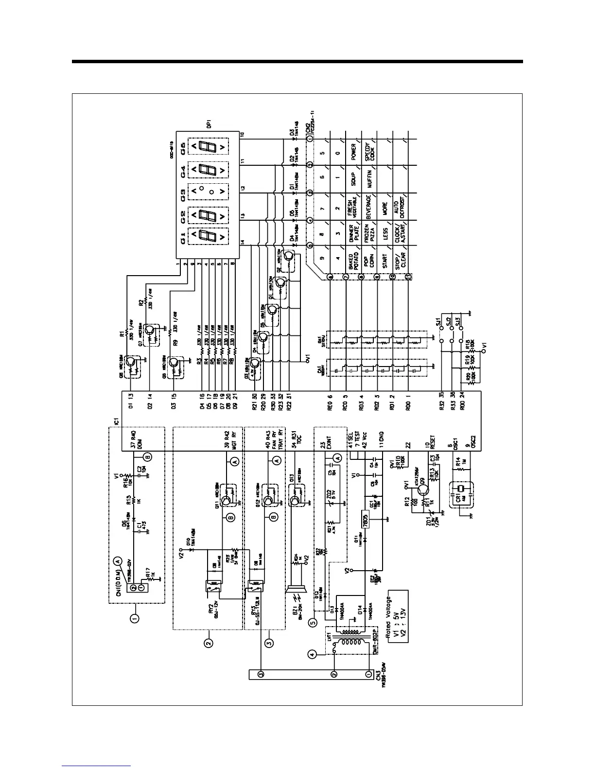
2. PCB CIRCUIT DIAGRAM

Related product manuals