EasyManua.ls Logo

Daewoo KOR-636T - Wiring Diagram

Daewoo KOR-636T
32 pages
Print Icon
To Next Page IconTo Next Page
To Next Page IconTo Next Page
To Previous Page IconTo Previous Page
To Previous Page IconTo Previous Page
Loading...

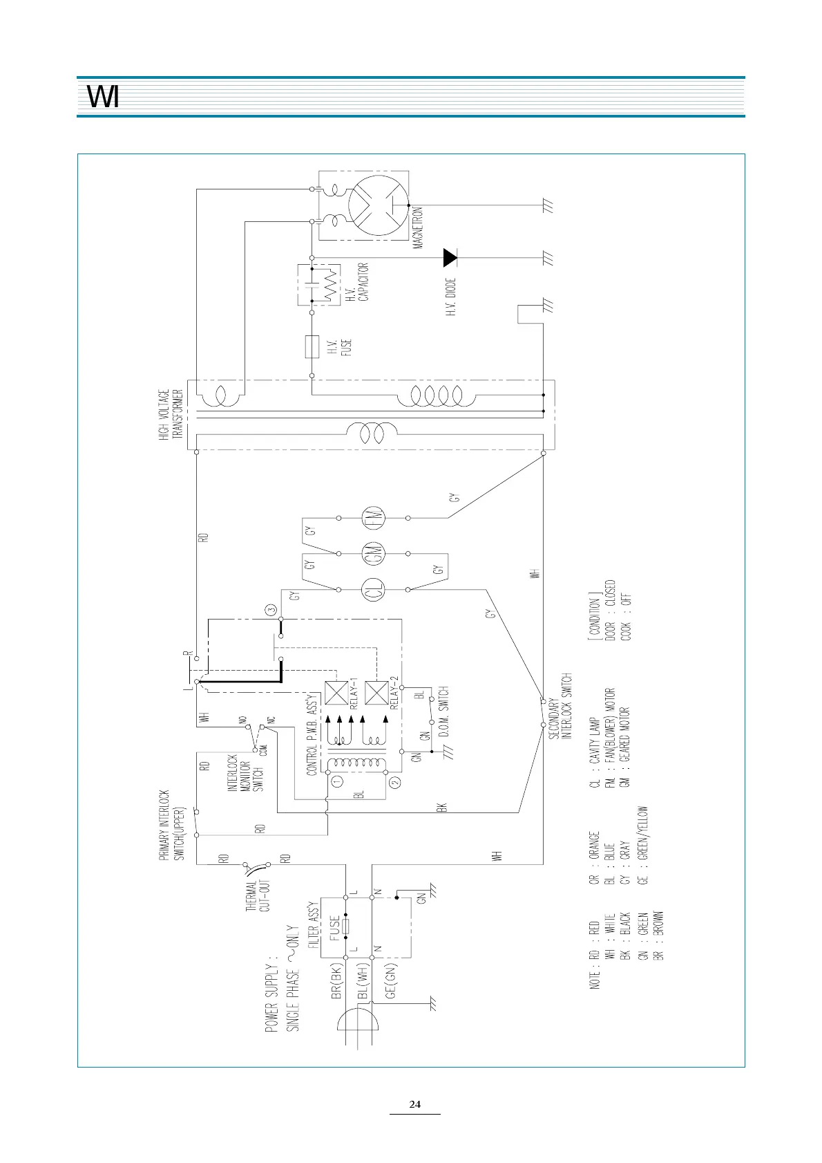
WIRING DIAGRAM

Other manuals for Daewoo KOR-636T

Related product manuals