EasyManua.ls Logo

Daewoo RC-4005B'S - 3 Diagram; Wiring Diagram; Circuit Diagram

Daewoo RC-4005B'S
37 pages
Print Icon
To Next Page IconTo Next Page
To Next Page IconTo Next Page
To Previous Page IconTo Previous Page
To Previous Page IconTo Previous Page
Loading...
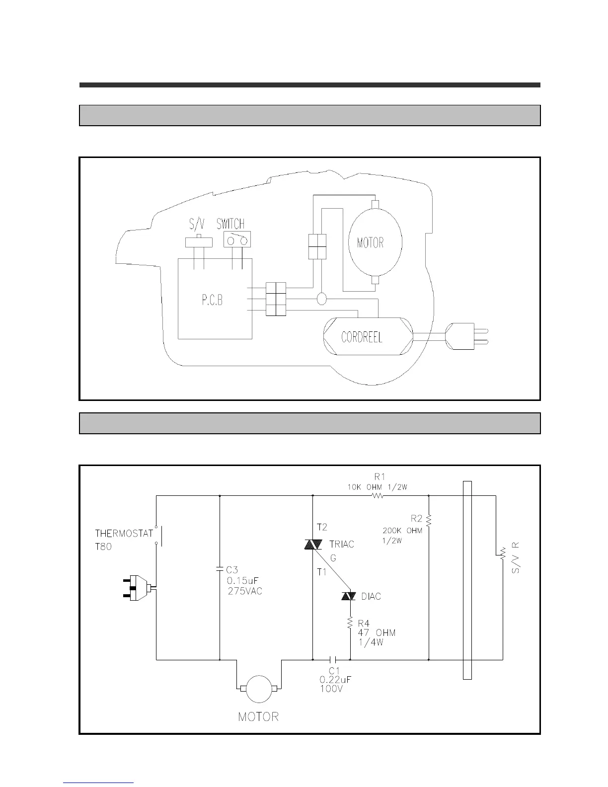
3. DIAGRAM
1) MODEL RC-4005B'S, 4006B'S
1) MODEL RC-4005B'S. RC-4006B'S
3-1. WIRING DIAGRAM
3-2. CIRCUIT DIAGRAM
4