EasyManua.ls Logo

Daewoo TR-951AUB - Page 6

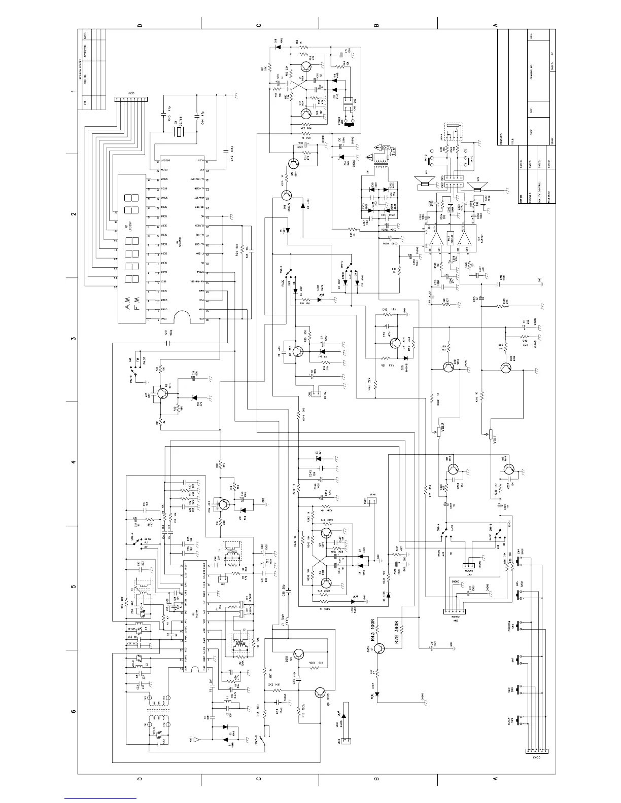
Daewoo TR-951AUB
22 pages
Print Icon
To Next Page IconTo Next Page
To Next Page IconTo Next Page
To Previous Page IconTo Previous Page
To Previous Page IconTo Previous Page
Loading...
4
TR-951AUB

Related product manuals