EasyManua.ls Logo

Daikin BPMK928B43 - BP Units

Daikin BPMK928B43
410 pages
Print Icon
To Next Page IconTo Next Page
To Next Page IconTo Next Page
To Previous Page IconTo Previous Page
To Previous Page IconTo Previous Page
Loading...
Piping Diagrams Si18-201
362 Appendix
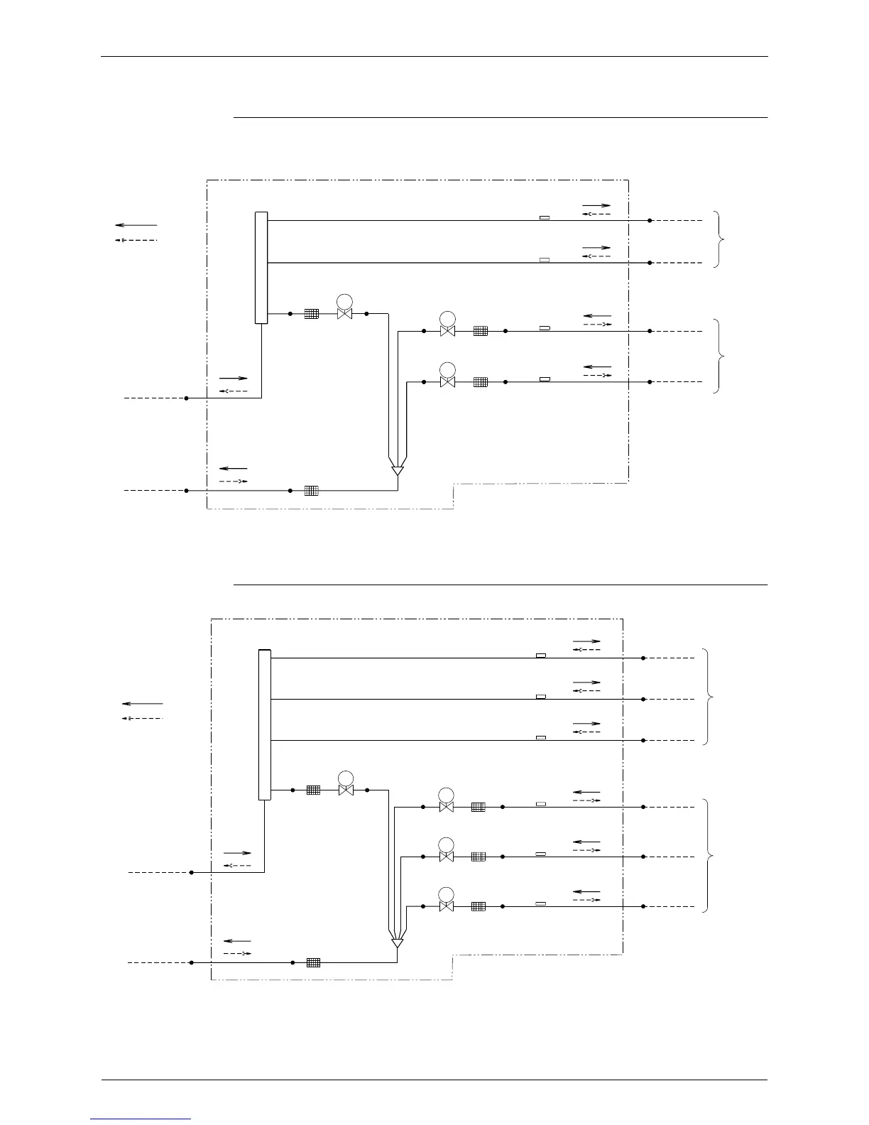
1.2 BP Units
BPMK928B42
BPMK928B43
REFRIGERANT FLOW
OUTDOOR UNIT
OUTDOOR UNIT
(
19.1CuT
)
(
9.5CuT
)
COOLING
HEATING
EXPANSION VALVE
(
BYPASS
)
FILTER
FILTER
ELECTRONIC
EV
H
EXPANSION VALVE
(
ROOM A
)
EXPANSION VALVE
(
ROOM B
)
ELECTRONIC
ELECTRONIC
EV
A
EV
B
FILTER
FILTER
THERMISTOR
(
DGA
)
THERMISTOR
(
DGB
)
THERMISTOR
(
DGA
)
THERMISTOR
(
DGB
)
GAS SIDE
GAS SIDE
LIQUID SIDE
LIQUID SIDE
INDOOR UNIT
INDOOR UNIT
(
15.9CuT
)
(
15.9CuT
)
ROOM A
ROOM B
ROOM A
ROOM B
(
6.4CuT
)
(
6.4CuT
)
C : 3D024825A
LIQUID
GAS
Note) 1. Brazing for the field piping connection.
2. Use the pipe attached if the pipe size is not
matched when connecting indoor unit.
Adjustable for the connecting direction.
REFRIGERANT FLOW
OUTDOOR UNIT
OUTDOOR UNIT
(
19.1CuT
)
(
9.5CuT
)
HEATING
COOLING
EXPANSION VALVE
(
BYPASS
)
FILTER
FILTER
ELECTRONIC
EV
H
EXPANSION VALVE
(
ROOM A
)
EXPANSION VALVE
(
ROOM B
)
EXPANSION VALVE
(
ROOM C
)
ELECTRONIC
ELECTRONIC
ELECTRONIC
EV
C
EV
B
EV
A
FILTER
FILTER
FILTER
THERMISTOR
(
DGC
)
THERMISTOR
(
DGB
)
THERMISTOR
(
DGA
)
THERMISTOR
(
DGC
)
THERMISTOR
(
DGB
)
THERMISTOR
(
DGA
)
GAS SIDE
GAS SIDE
GAS SIDE
LIQUID SIDE
LIQUID SIDE
LIQUID SIDE
INDOOR UNIT
INDOOR UNIT
(
15.9CuT
)
(
15.9CuT
)
(
15.9CuT
)
ROOM C
ROOM C
ROOM A
ROOM B
ROOM B
(
6.4CuT
)
(
6.4CuT
)
(
6.4CuT
)
ROOM
C : 3D024824A
LIQUID
GAS
Note) 1. Brazing for the field piping connection.
2. Use the pipe attached if the pipe size is not
matched when connecting indoor unit.
Adjustable for the connecting direction.

Table of Contents

Related product manuals