EasyManua.ls Logo

Daikin DCC072 SERIES - Page 87

Daikin DCC072 SERIES
139 pages
Print Icon
To Next Page IconTo Next Page
To Next Page IconTo Next Page
To Previous Page IconTo Previous Page
To Previous Page IconTo Previous Page
Loading...
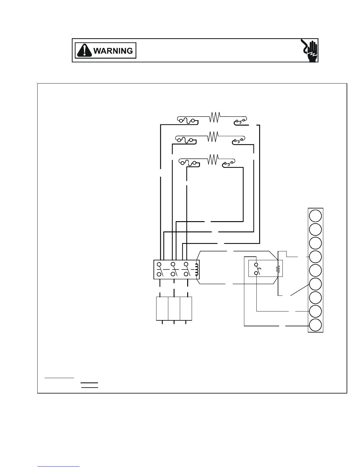
HEATER KIT WIRING DIAGRAMS
41
HIGH VOLTAGE!
DISCONNECT ALL POWER BEFORE SERVICING OR INSTALLING THIS
UNIT. MULTIPLE POWER SOURCES MAY BE PRESENT. FAILURE TO
DO SO MAY CAUSE PROPERTY DAMAGE, PERSONAL INJURY OR DEATH.
Wiring is subject to change. Always refer to the wiring diagram on the unit for the most up-to-date wiring.
EHK4-16
BK
BK
RD
YL
RD
9
WH
8
7
6
RS
BL
5
4
3
2
PC
1
BK
FL
HTR 3
FL
FL
HTR 2
HTR 1
TL
TL
TL
RD
YL
PU
COMPONENT CODE
PC = 9 PIN CONNECTOR
HTR = HEATER ELEMENT
TL = THERMAL LIMIT
RS = RELAY/SEQUENCER
FL = FUSE LINK
OP = OVERLOAD PROTECTION
LOW VOLTAGE
W
IRING CODE:
HIGH VOLTAGE
PU
M2
M1
CT1
BL
WH
EHK3-10, EHK3-15, EHK3-16
EHK4-10, EHK4-15, EHK4-16
EHK7-10, EHK7-15, EHK7-16
MODEL -
CT = CONTACTOR
0140L04066-A
LC
1
2
LC
1
2
LC
1
2
OP
OP
L3
L2
L1
OP
BK
BK
BK
EHK4 - 16 HEAT KIT - 10.42 KW (400V) KW

Table of Contents

Other manuals for Daikin DCC072 SERIES

Related product manuals