EasyManua.ls Logo

Daikin DCC072 SERIES - Page 94

Daikin DCC072 SERIES
139 pages
Print Icon
To Next Page IconTo Next Page
To Next Page IconTo Next Page
To Previous Page IconTo Previous Page
To Previous Page IconTo Previous Page
Loading...
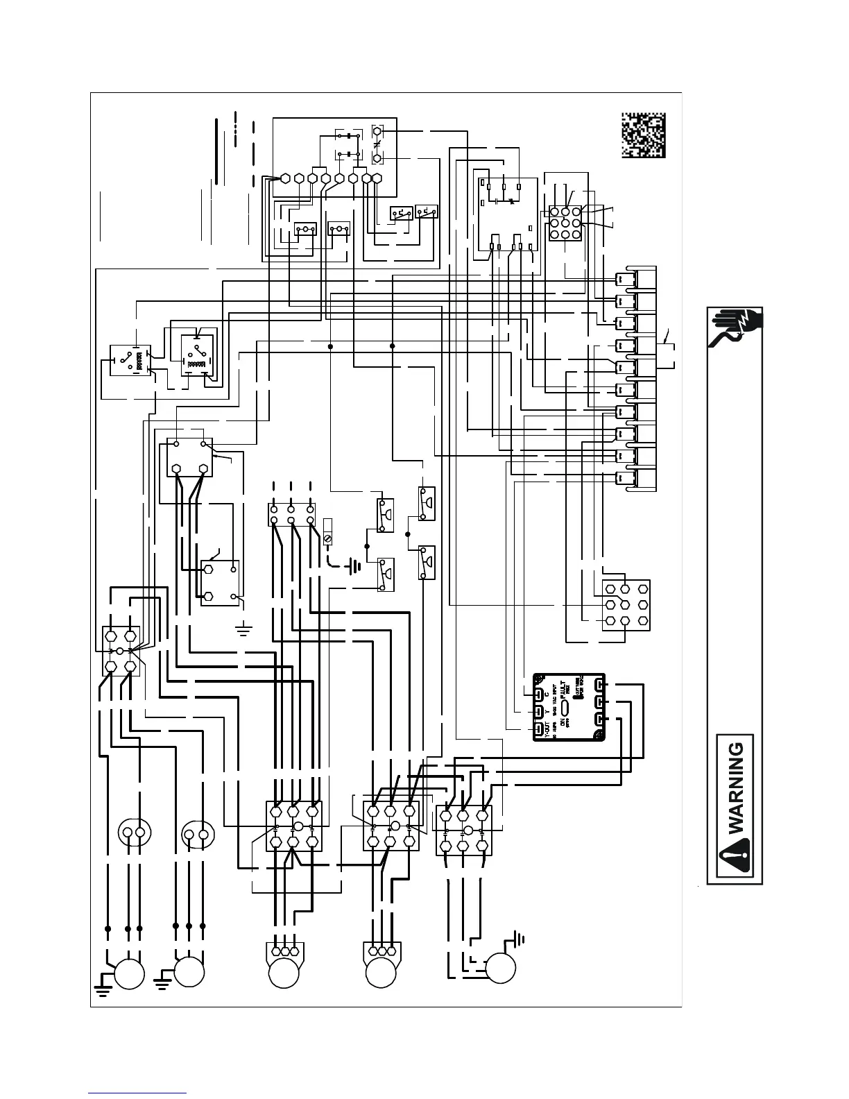
UNIT WIRING DIAGRAMS
HIGH VOLTAGE!
DISCONNECT ALL POWER BEFORE SERVICING OR INSTALLING THIS
UNIT. MULTIPLE POWER SOURCES MAY BE PRESENT. FAILURE TO
DO SO MAY CAUSE PROPERTY DAMAGE, PERSONAL INJURY OR DEATH.
48
Wiring is subject to change. Always refer to the wiring diagram on the unit for the most up-to-date wiring.
DCH090-150XXX6BXXX**
0140L06199-A
CM1
FC1
F
C
T1
T2
L1
L2
CM2
FC2
F
C
RD
CMC
BK
COM P1
T2
T3T1
L3
T3
C
L2
L1
T2
T1
CC1
YL
RD
BK
C
400
TR
24V
COMP 2
T2
T3
T1
L3
T3
C
L2
L1
T2
T1
CC2
YL
RD
BK
BL
BL
BL
BK
BL
BK
PB
RD
RD
RD
BK
BK
BK
BK
LPS1
HPS1
LPS 2
HPS 2
EM
L3
T3
C
L2
L1
T2
T1
BC
RD
OR
RD
BK
BK
6
285
7
3 9
4
1
PLF 1
WH
GND
COLOR CODE
BK --------------- BLACK
BL --------------- BLUE
BR --------------- BROWN
OR --------------- ORANGE
PU --------------- PURPLE
RD --------------- RED
WH -------------- WHITE
YL --------------- YELLOW
PK --------------- PINK
GR---------------- GREEN
W
IRING CODE
FACTORY WIRING
HIGH VOLTAGE
LOW VOLTAGE
OPTIONAL HIGH VOLTAGE
FI
ELD WIRING
HIGH VOLTAGE
5
3
2
1
4
NC
NO
S1
S2 R
C
G
W1
W2
Y1
Y2
O
RD
PK
DFT1
DFT2
RVC1
RVC2
COM
R
NC
NO
UP
C
K1
SPEED
K1
M1
XFMR-C
EBTDR
XFMR-R
M2
3
2
1
96
8
7
4
5
RD
WH
PU
PK
YL
WH
YL
BR
GR
GR
GR
GR
BL
BL
BL
RD
HVDR
DF2
C
R
DC
O
O
R
LVDR
Y
DFT
W2
DF1
RD
RD
BL
YL
PU
PU
PU
PU
BR
BR
BR
BR
BL
BR
SSHR
OR
RD
RD
RD
RD
WH
WH
WH
PU
YL
YL
BK
BK
BK
BK
BL
BL
BL
BL
BL
OR
BL
PU
BK
BR
YL
RD RD
GR
GR
GR
GR
YLYL
YL
OR
RD
BK
OR
OR
OR
RD
RD
RD
BL
BL
BL
BR
RD
RD
YL
OR
OR
YL
BL
BL
WH
RD
RD
RD
OR
WH
G
RD
OR
24V
400
C
OR
RD
PK
BL
TR
5
3
2
1
4
NC
NO
DR
BL
RD
OR
BK
BL
BL
BL
BL
SEE NOTE 4
SEE NOTE 5
SEE NOTE 5
SEE NOTE 3
GR
PLF 2
YL
YL
YL
BR
POWER SUPPLY
400/3/60
SEE NOTE 2
BK
RD
RD
RD
BL
RD
RD
RD
RD
RD
PU
BK
BR BR
BK
BK
OR
RD
BK
YL
RD
PU PU
BK
BK
L1
L2
L3
BK
RD
OR
BK
RD
OR
PK
PK
BL
PK
PK
PK
BR
PM

Table of Contents

Other manuals for Daikin DCC072 SERIES

Related product manuals