EasyManua.ls Logo

Daikin DPS015 - Page 87

Daikin DPS015
122 pages
Print Icon
To Next Page IconTo Next Page
To Next Page IconTo Next Page
To Previous Page IconTo Previous Page
To Previous Page IconTo Previous Page
Loading...
WIrIng dIagraMs
www.DaikinApplied.com 87 IM 1125-7 • REBEL ROOFTOPS
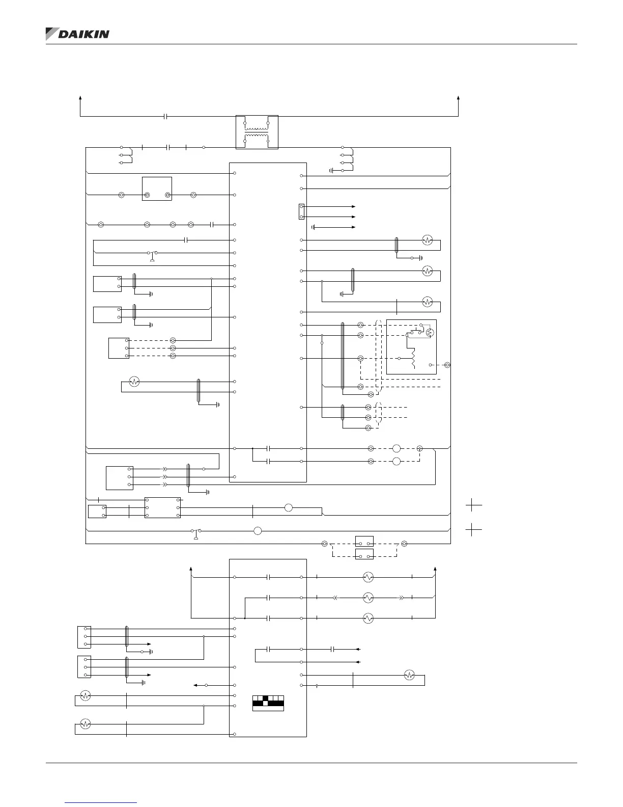
Figure 74 continued: Typical 575 Volt Wiring (2 of 4) — DPS 007–015 shown with 460 to 575 Transformer
203
204
205
206
207
208
209
210
211
212
213
214
215
216
217
218
219
220
221
222
223
224
225
226
227
228
229
230
231
232
233
234
235
236
237
238
239
240
241
242
243
244
245
246
247
248
249
250
251
252
253
254
255
256
257
258
259
260
261
262
201
202
263
264
265
OAT
NB
Mod Bus
Connection
SA Smoke
Detector
Emergency
Off
TIME CLOCK OR
TENNANT OVERIDE
24V
120V
DAT
NB
RS485
SRT
NB
DRT1
MB.HB
1 2
SVB
MB.HB
RED
1 2 3 4 5 6
DIP SWITCH
SW6 MUST
BE ON
WHEN LAST
ON
OFF
WHT
FAN OPERATION
Mount Sensor
In Supply Air Duct
SA Smoke
Detector
1 2
4WV
NB
1 2
SVR
MB.HB
DRT3
MB.HB
RAT
NB
DISCHARGE AIR
TEMPERATURE
EXTERNAL RESET
}
GND/C
SEN1/S
WALLSTAT
COOLING &
HEATING
SETPOINT
SET1/P
OVERRIDE
V+
(DDC Sensor Only)
CO2/MIN OA
/OA FLOW
(SEE IM 919-3 PAGE 29)
}
RA Smoke
Detector
LCT
Leaving Coil
Temperature
NB
1 4
GFR1
(117)
TB1
12
GF1-I
GF1-I
YEL YEL
DO1
163B
BLK
PTS
NB
AI3
255C
301G
(217)
TB1
6
6
TB2
104
TB2
105
TB8
307
TB8
305
TB8
304
7G
TB2
106
T_CLOCK
NB
OAT-I
TB2
115
ALARM OUTPUT
TB2
117
116
MJ MJ
DO9
C9-10
TB2
102
301G
TB2
122
TB2
123
SD1
SVB-I
SVB-I
SRT-I
PTS-I
PTD-I
DRT1-I
-
PTD
NB
T7-M2
T1-G0
R3-4
T7-M1
S
AI1
B-
T1-G
DI3
DI4
DI1
DI2
T10-M
A+
301G
301G
DO1
COM24
120
T2A
CLASS 2
75VA
COM
DO9
DO10
DO10
DO4
DO2
DO3
DO4
DO2
DO3
C2
C3-4
MCB
EXPD
X1
T8-M1
X2
+5VDC
X3
T8-M2
X6
T9-M1
TB1
7
7
DAT-I
TB8
302
-
+
S
+
C1
7
252A
BLK
BLK
BLK
DRN
RED
WHT
BLK
DRN
BLK
RED
WHT
12 8
R-HP1
(303)
BLK
BLK
DRN
BLK
WHT
163A
254A
255A 258B
155A204A
211A
209A
207A
219B
209A 236A
237A
207B
209A
6
207B
209A
207B
207B
207B
209A
207B
TB2
101
1
8
PVM1
(123)
160A
24VDC
127
227A
126
226A
219C
219C
SHS1
NB
Humidity
Sensor
COM
OUT
T9-M1
24VDC
X5-AI
TB8
311
TB2
131
T9-X6
SPS1
MB
TB1 -
TB1 +
301G
CBL217-I
BLK
WHT
DRN
SPS2
MB
TB1 -
TB1 +
T9-X8
301G
CBL221-I
BLK
WHT
DRN
31
PC5
FILTER
217B
217A
214A
216A
209A 207B244A
31
DHL
13 14
R63
(214)
(216)
NCNO
12
8
R63
(244)
9
5
R63
(244)
217A
4WV-I
163B250A
2
PL5
1
PL5
4WV-I
163A
163B
SVR-I
SVR-I
248A
BLK
BLK
260A
X4
TB8
306
DRT3-I
2
WHT
RED
DRN
2
3
3
ACT3
NB
RED
BLK
209A
GRY
BLK
ACT3-I
TB8
310
1
PL7
1
301G
X7-AO
242C
242B
WHT
24V
3
207B
13 14
OAER
(311)
NCNO
OAE
RAE
1
S SR
209A
BLK
+
OAE-I
207B
RED
RAE-E
+
OAE-I
COM
242A
RAT-I
DRN
301G
(217)
BLK
WHT
AI2
132G
CBL227-I
TB2
132
TB2
120
121
ZNT1
NB
X3-AI
T8-M2
X4-AI
WHT
BLK
RED
DRN
225A
133
GRN
TB2
101
TB8
303
303
DRN
TB2
124
125
CBL232-I
121G
BLK
WHT
T8-X1
209A
MJ
TB2
103
SD2
NB
DRN
BLK
WHT
LCT-I
301G
(217)
T8-X2
T8-M1
120V_N
(160)
A1+ /
(354)
(358)
B1- /
(355)
(359)
GND1 /
(355)
(359)
T2B_N
(163)
T2B_24V
(163)
+5V /
(255)
(258)
+5V / (259)
+5V / (259)
255 / (362)
256 / (362)
120V_H
(160)

Table of Contents

Related product manuals