EasyManua.ls Logo

Daikin DPS018 - Page 63

Daikin DPS018
122 pages
Print Icon
To Next Page IconTo Next Page
To Next Page IconTo Next Page
To Previous Page IconTo Previous Page
To Previous Page IconTo Previous Page
Loading...
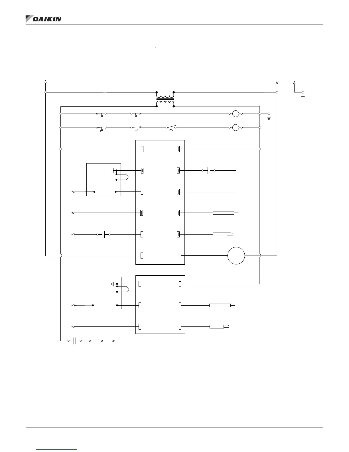
Figure 57: Typical 4 Stage Control Gas Furnace, 300/450/600 MBH — DPS 016–028 shown
UTEK 1016-575
L1
IND
COM
X
MV
PS1
PS2
W
R
FS
HV
C
C
HI
LO
1R-1
14
11
2R-1
11
14
Flame Sensor
FS01
Spark Igniter
S101
MTR
W1
COM
MV
FS
HV
C
UTEC 1016-578
1R
A1 A2
Roll-out Switch #1
TS03
Roll-out Switch #2
TS04
2R
A1 A2
Hi-Limit Switch
TS02
Aux Hi-Limit Switch
TS01
C
HI LO
1R-2
2R-2
24
21
24
21
Air Pressure Switch
PS01
602
601
600
604
603
606
608
605
607
24VAC
115VAC
610
612
609
611
614
616
613
615
617
619
621
618
620
623
625
622
624
627
629
626
628
631
630
633
635
632
634
602A 602B
604A
604B
605B
605A
605C
610B
610D
607A
610A
610C
607B
607C
607D
613A
613B
613C
616A
616B
619A 619B
622A
622B 622C
602C
625A
602D
629A
632A 632B 632C
635A
635B
637A 637B
TB10
TB10
605D
607E
(Daikin P/N 910172859; includes ignitor and wire)
(Daikin P/N 910172861; includes ignitor and wire)
P1-1/L1
101
T3
Class II
40VA
TB10
102
P1-2/L2
105
TB10
GND
604E
TB10
103
TB10
103
T01
TB10
105
TB10
104
TB10
106
P1-3/GND
TB10
GND
2/A
1/A
R/A
602C
Inducer Fan Motor
IFM01
602D
610D
Ignition Module #2
IM02
Ignition Module #1
IM01
Gas Safety Shutoff Valve #1
GSSV01
2/B
Flame Sensor
FS02
Spark Igniter
S102
636
638
640
637
639
1/B
R/B
Gas Safety Shutoff Valve #2
GSSV02
Rebel C 300/450/600 MBH Gas Furnace Electrical Schematic
4 Stage Control
LED Diagnostic Information
Steady Off: No power or Control hardware fault
Steady On: Power applied, Control OK
1 Flash: Combustion fan motor energized, Pressure switch open
2 Flashes: Combustion fan motor off, Pressure switch closed
3 Flashes: Ignition lockout from too many trials
4 Flashes: Ignition lockout from too many flame losses within single call for heat
5 Flashes: Control hardware fault detected
HW VR8305Q Valve (for NG)
HW VR8205Q Valve (for LPG)
HW VR8305Q Valve (for NG)
HW VR8205Q Valve (for LPG)
opTIonal gas heaT
www.DaikinApplied.com 63 IM 1125-7 • REBEL ROOFTOPS

Table of Contents

Related product manuals