EasyManua.ls Logo

Daikin Enfinity CCW - Page 28

Daikin Enfinity CCW
48 pages
Print Icon
To Next Page IconTo Next Page
To Next Page IconTo Next Page
To Previous Page IconTo Previous Page
To Previous Page IconTo Previous Page
Loading...
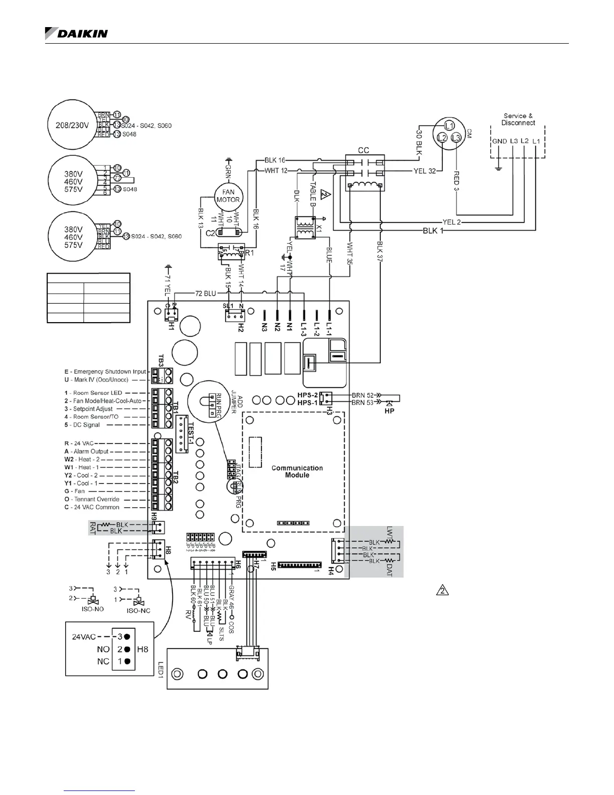
tyPiCal Wiring diagraMs
Figure 35: MicroTech III Unit Controller with PSC Motor – 208/230/460/575-60-3 Unit Sizes 024-070
Drawing No. 668991202
Wiring diagrams are typical. For the latest drawing version refer to the wiring diagram located on the inside of the controls access panel of the unit.
Note: Gray tinted areas in the wiring diagram: Units with factory installed communication module include Discharge Air Temperature (DAT) and
Return Air Temperature (RAT) sensors shipped loose and are field installed. The Leaving Water Temperature (LWT) sensor is factory installed.
Entering Water Temperature (EWT) sensor is included with ECM and/or Secondary Electric Heat.
Legend
Item Description
C1 Capacitor-Compressor
C2 Capacitor-Fan
CC Compressor - Contactor
CM Compressor - Motor
COS CondensateOverowSensor
DAT Discharge Air Temp Sensor
HP High Pressure Switch
ISO-NO Isolation Valve - Normally Open
LED1 LED Annunciator / Harness
LP Low Pressure Switch
SLTS Suction Line Temp Sensor
LWT Leaving Water Temp Sensor
MIII MicroTech III Main Board
R1 Relay - Fan Motor
RAT Return Air Temp Sensor
RV Reversing Valve Solenoid
TB1 Power Terminal Block
X1 Primary 24VAC Transformer
_____
Standard Unit Wiring
_ _ _ _
Optional Wiring (by others)
Table B
208V RED
230V ORG
460V BLK/RED
575V BLUE
Notes:
1. Main board jumpers:
JP3 Geothermal
Transformer:
Unused wire to be capped.
IM 1049-9 28 www.DaikinApplied.com