EasyManua.ls Logo

Daikin FFRN25CXV1 - High

Daikin FFRN25CXV1
73 pages
Print Icon
To Next Page IconTo Next Page
To Next Page IconTo Next Page
To Previous Page IconTo Previous Page
To Previous Page IconTo Previous Page
Loading...
57
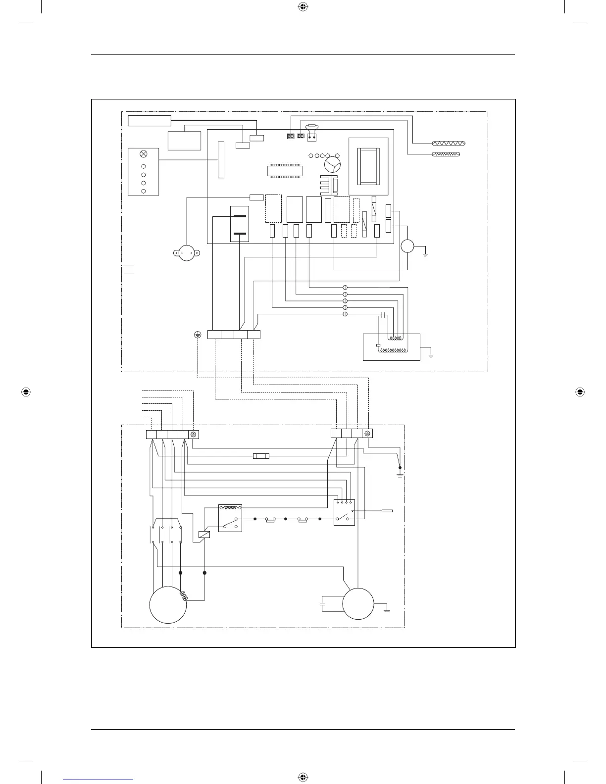
Wiring Diagram
Indoor Unit
Model: FCRN100/125EXV1
Outdoor Unit
Model: RR100/125DXY1
G/Y
RED RED
7A
RED
BLUE
BLUE
BLACK
WHITE
BLUE BLUE BLUE BLACK BLACK BLACK
HIGH
PRESSURE
SWITCH
LOW
PRESSURE
SWITCH
WHITE
2
78
6
RED
RED
LOCK OUT
RELAY
BLACK
BLUE
RED
RED
BLACK
WHITE
21
1/L1 3/L2 5/L3
2/T1 4/T2 6/T3
22
(NC)
(NC)
A1
A2
RED
RED
BLUE
BLACK
WHITE
T1
T2
T3
CRANKCASE
HEATER
COMP.
PART NO. 08 02 4 106047A
G/Y
FM
BROWN
BROWN
WHITE
N
NO
COM
RST
DT
WHITE
G/Y
NL
COMP.
RST N
E
FAN MOTOR
N
T
S
R
350~410V
3PH/50Hz
PINK
FLOAT SWITCH
INDOOR COIL SENSOR
INDOOR AIR SENSOR
DISPLAY BOARD
KEY:
FIELD SUPPLY WIRING
AS - AIR SWING MOTOR
DP - DRAIN PUMP
PART NO: 08 02 4 120172A
AS
WIRED
CONTROLLER
BROWN
ORANGE
PURPLE
BLUE
COMP.
COMP.
CN STP
TRANSFORMER
ID ROOM
T FULL
CN_WIR
CN_DSP
OD
L
LN
PURPLE
BLUE
RED
RED
PINK
BROWN
ORANGE
PURPLE
BLUE
BLUE
RED
FS
FL
FM
A.C
M.C
I.C
G/Y
G/Y
N2
N1
LIVE
4WV
OF
WTP
SILENT
LOW
MED
HIGH
DP
FH
DAIKIN_FFRN.indb 57DAIKIN_FFRN.indb 57 12/27/2012 9:28:16 AM12/27/2012 9:28:16 AM

Related product manuals