EasyManua.ls Logo

Daikin FTXD71JVEA - Page 82

Daikin FTXD71JVEA
410 pages
Print Icon
To Next Page IconTo Next Page
To Next Page IconTo Next Page
To Previous Page IconTo Previous Page
To Previous Page IconTo Previous Page
Loading...
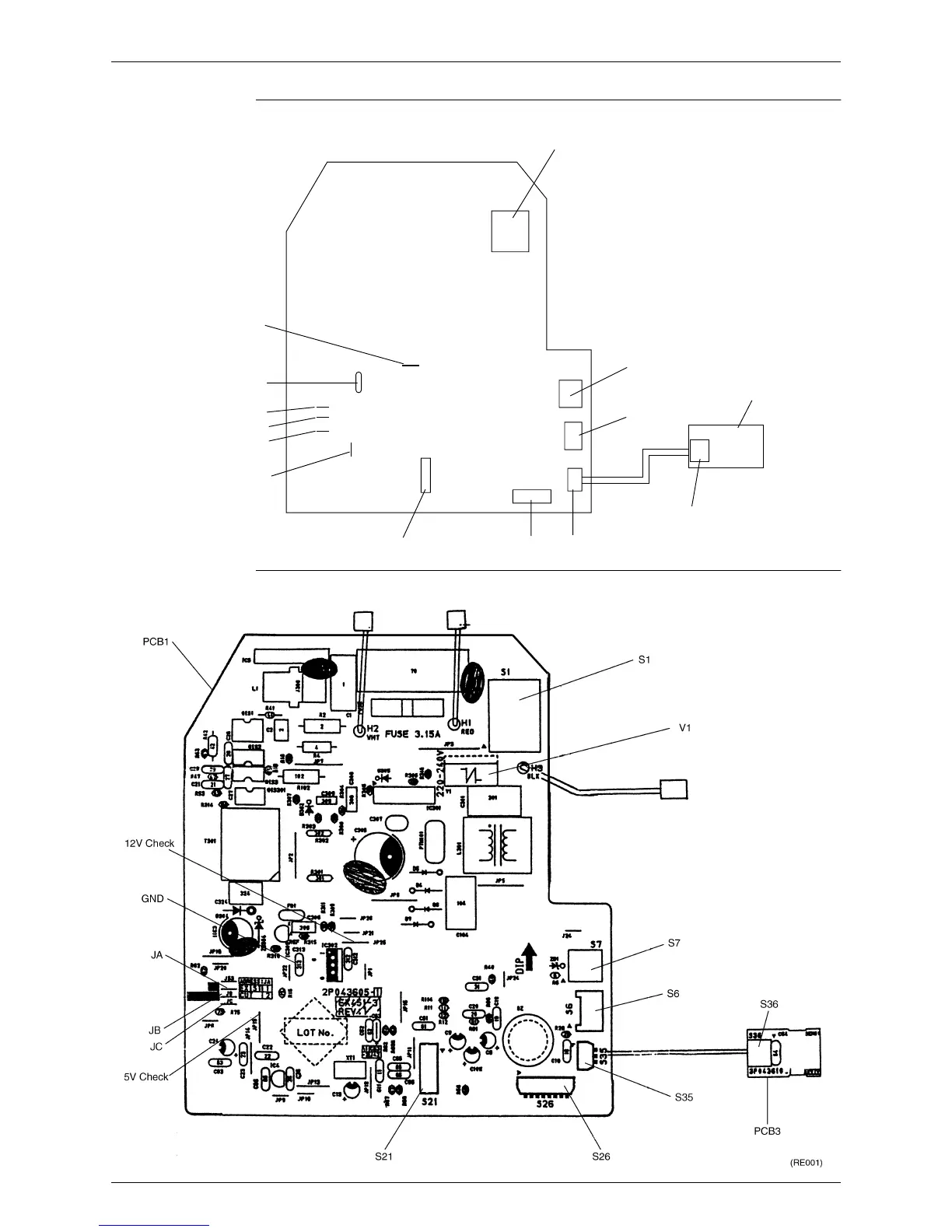
Si18-201 Printed Circuit Board Connector Wiring Diagram and Name
Printed Circuit Board Connector Wiring Diagram and Name 69
Printed Circuit Board (1)~(3)
Printed Circuit Board (1)~(3) Detail
(RL001)
Control P C B (1)
S1
S7
S6
sensor P C B (3)
S36
S35
S26
S21
5V check
Jumper
JA
JB
JC
ground
12V check
Jumper

Table of Contents

Related product manuals