EasyManua.ls Logo

Daikin RN35DV1 - FL;FLN-E Series Wiring

Daikin RN35DV1
100 pages
Print Icon
To Next Page IconTo Next Page
To Next Page IconTo Next Page
To Previous Page IconTo Previous Page
To Previous Page IconTo Previous Page
Loading...
69
TM-FLH--0515-C
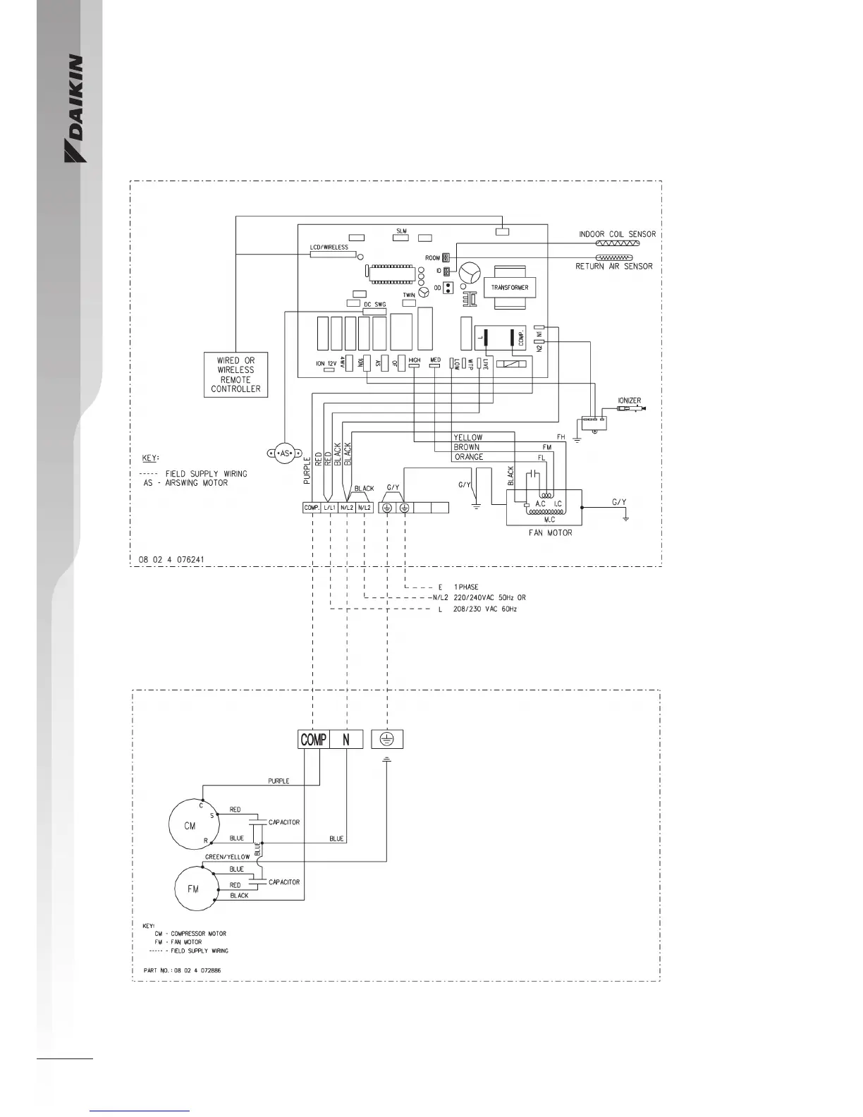
Indoor Unit
Model : FL15/20/25EV1L, FLN15/20/25EV1L, FLN15/20/25EV1M
Outdoor Unit
Model: R18/20/25CV1, RN20/25CV1

Related product manuals