EasyManua.ls Logo

Daikin RN35DV1 - FLN30 EV1 L, FLN30 EV1 M Wiring

Daikin RN35DV1
100 pages
Print Icon
To Next Page IconTo Next Page
To Next Page IconTo Next Page
To Previous Page IconTo Previous Page
To Previous Page IconTo Previous Page
Loading...
70
TM-FLH-0515-C
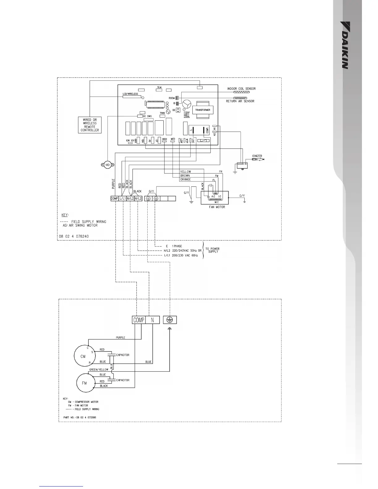
Indoor Unit
Model : FLN30EV1L, FLN30EV1M
Outdoor Unit
Model : RN28CV1

Related product manuals