EasyManua.ls Logo

Daikin Super Multi NX FBQ50C7VEB

Daikin Super Multi NX FBQ50C7VEB
501 pages
To Next Page IconTo Next Page
To Next Page IconTo Next Page
To Previous Page IconTo Previous Page
To Previous Page IconTo Previous Page
Loading...
SiBE121021_C Piping Diagrams
Appendix 467
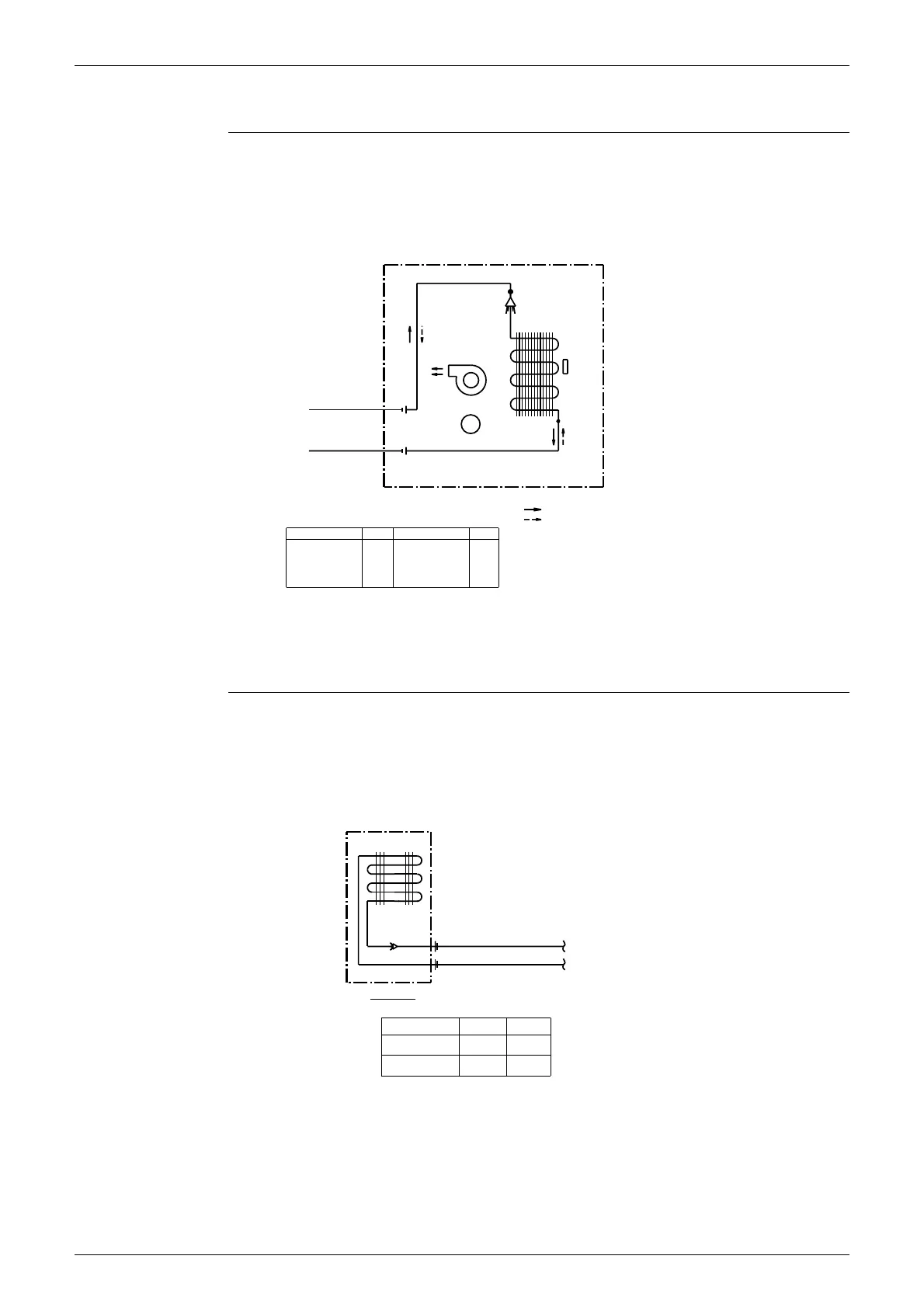
1.1.4 Duct Connected Type
FDK(X)S25/35EAVMB, FDK(X)S50/60CVMB
1.1.5 Ceiling Mounted Cassette Type
FFQ25/35/50/60B8V1B
(
6.4CuT
)
(A
CuT
)
THERMISTOR
ON HEAT
EXCH.
FIELD PIPING
(
6.4CuT
)
FIELD PIPING
(A
CuT
)
FDKS25EAVMB
FDKS35EAVMB
FDXS25EAVMB
FDXS35EAVMB
FDKS50CVMB
FDKS60CVMB
FDXS50CVMB
FDXS60CVMB
INDOOR UNIT
FAN MOTOR
M
SIROCCO FAN
HEAT EXCHANGER
REFRIGERANT FLOW
COOLING
HEATING
A
12.7
A
9.5
C: 4D045449L
To
Outdoor unit
FFQ25/35B8V1B
FFQ50/60B8V1B
6.4
6.4
9.5
12.7
Indoor heat exchanger
Field piping
φ A C1220T-O
Field piping
φ B C1220T-O
Indoor unit
MODEL
A
B
C: 4D039335A

Table of Contents

Related product manuals