EasyManua.ls Logo

Daikin Super Multi NX FCQ60C8VEB

Daikin Super Multi NX FCQ60C8VEB
501 pages
To Next Page IconTo Next Page
To Next Page IconTo Next Page
To Previous Page IconTo Previous Page
To Previous Page IconTo Previous Page
Loading...
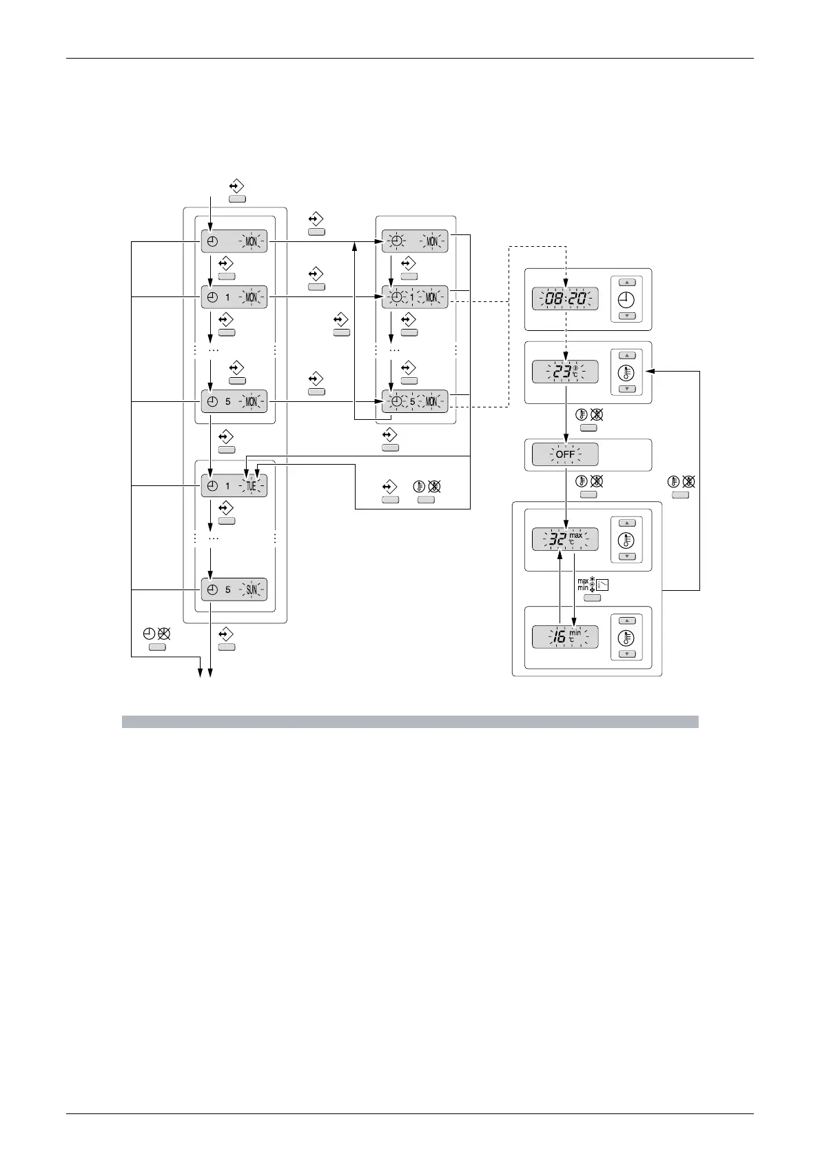
SiBE121021_C SA Indoor Unit - FFQ, FCQ, FDBQ, FBQ, FHQ Series
Operation Manual 213
2
Start
5s
5s
5s
+
5s
5s
End

Table of Contents

Related product manuals