EasyManua.ls Logo

Daikin WMC - Power Box Wiring

Daikin WMC
68 pages
Print Icon
To Next Page IconTo Next Page
To Next Page IconTo Next Page
To Previous Page IconTo Previous Page
To Previous Page IconTo Previous Page
Loading...
IOM 1210-1 • MAGNITUDE
®
MODEL WMC CHILLERS 16 www.DaikinApplied.com
InsTallaTIon
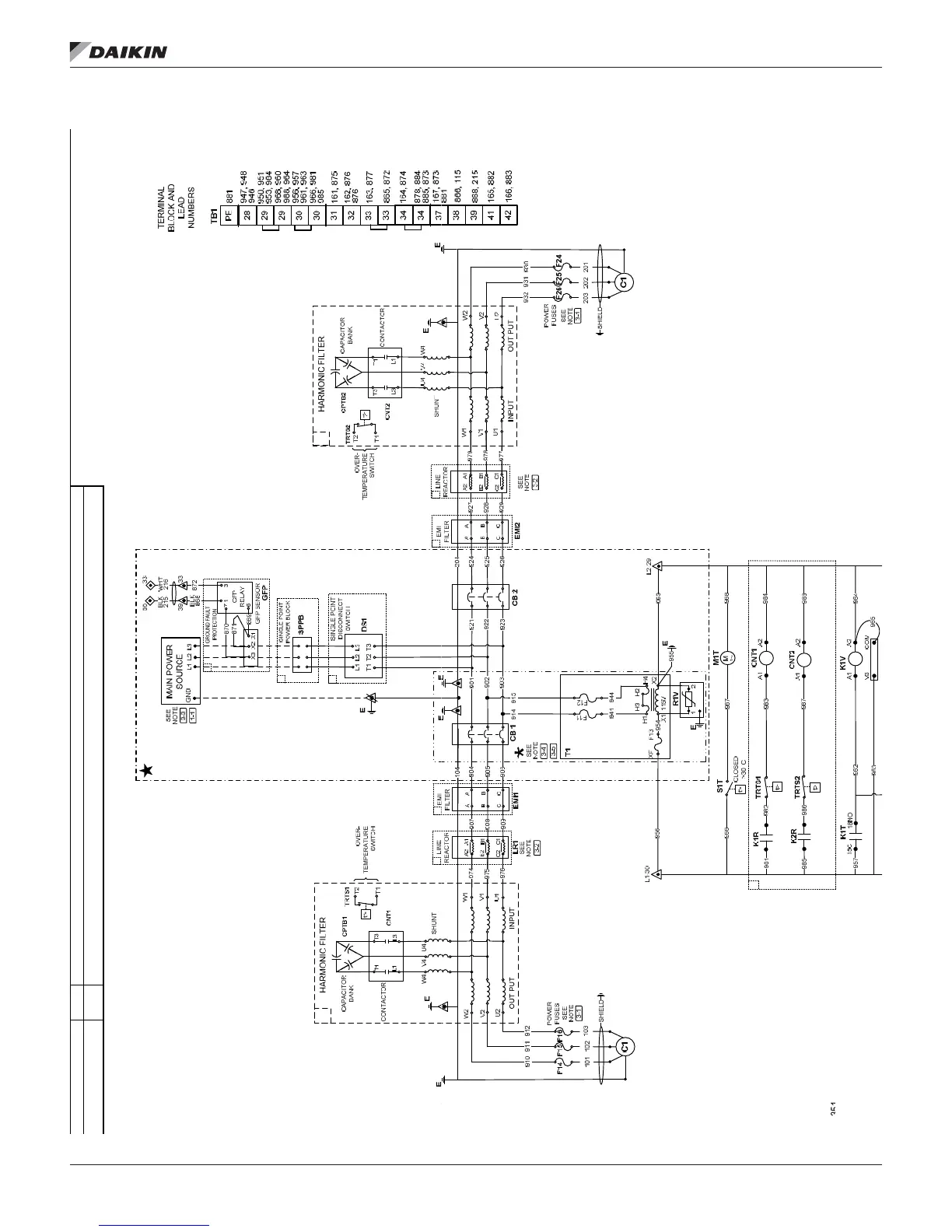
Figure 14: Power Box Single and Multi Point Wiring


























 


































































































Other manuals for Daikin WMC

Related product manuals