EasyManua.ls Logo

Daikin ZH(C)3LSF - Page 39

Daikin ZH(C)3LSF
51 pages
Print Icon
To Next Page IconTo Next Page
To Next Page IconTo Next Page
To Previous Page IconTo Previous Page
To Previous Page IconTo Previous Page
Loading...
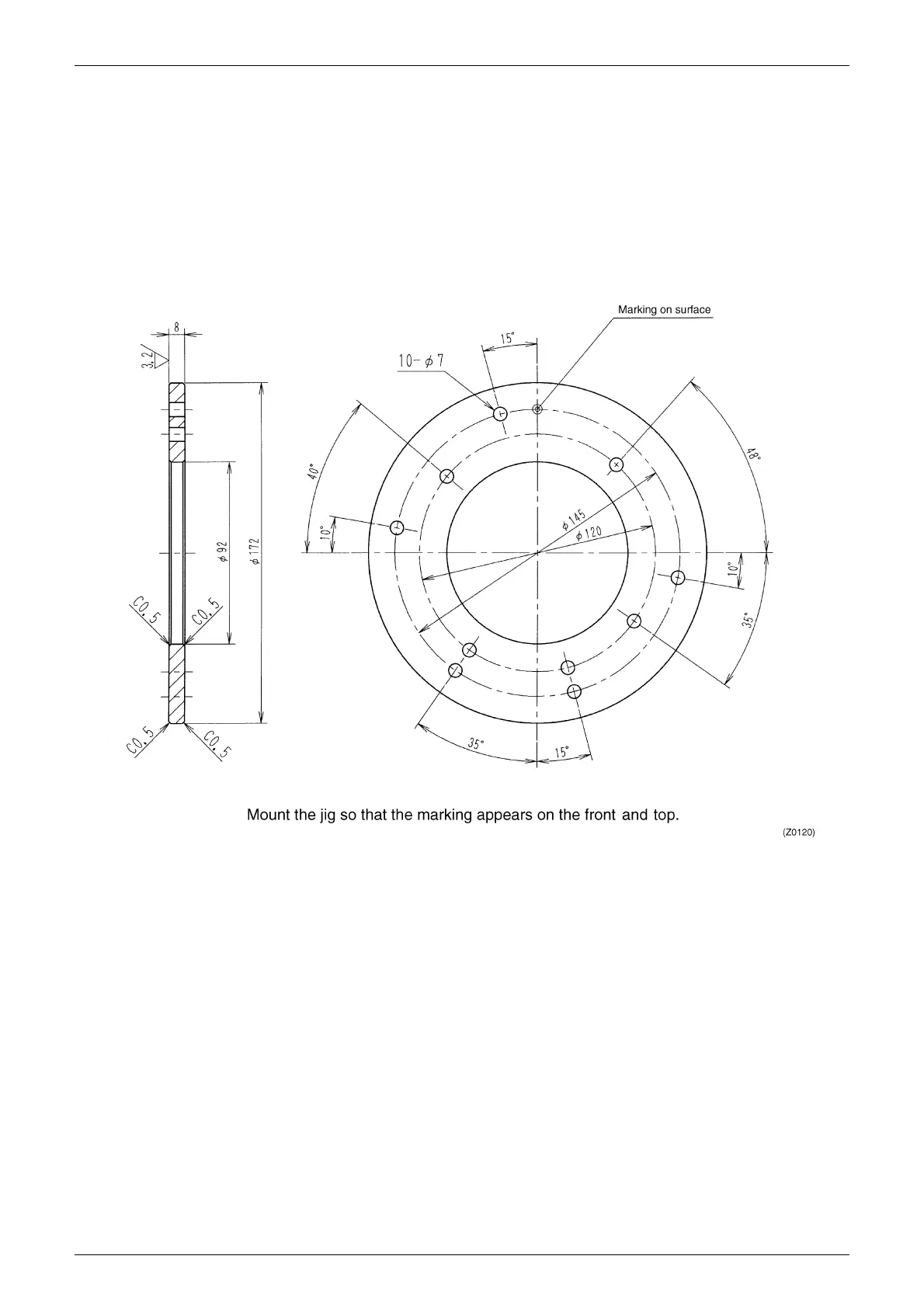
Required Tools Si50-203
38 Semi-Hermetic Single Screw Compressor Version III
Jig (3) Temporary Bearing Holder Mounting Plate [jig]
[For ZH3_] Material: SS400