EasyManua.ls Logo

D&K Masterpiece 550 - Wiring Diagram

D&K Masterpiece 550
12 pages
Print Icon
To Next Page IconTo Next Page
To Next Page IconTo Next Page
To Previous Page IconTo Previous Page
To Previous Page IconTo Previous Page
Loading...
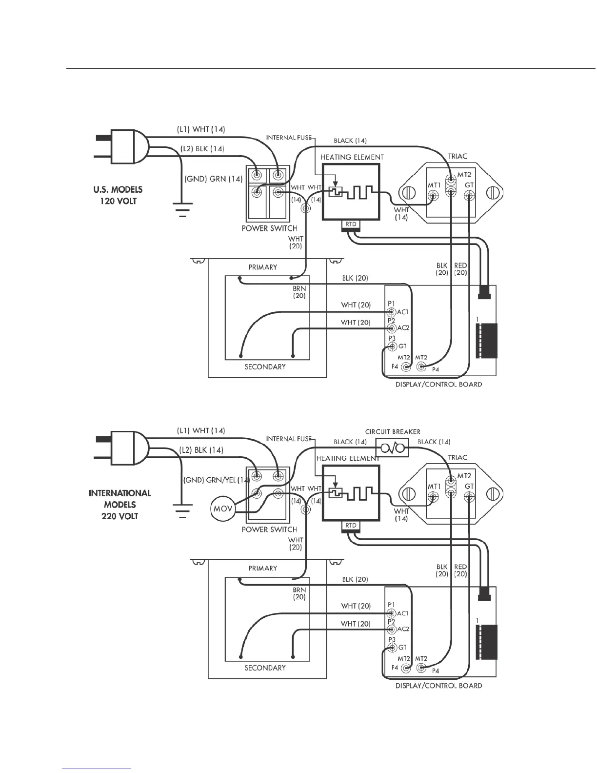
WIRING DIAGRAM
8
*Masterpiece 550 International only

Related product manuals