EasyManua.ls Logo

Danfoss VLT 5005 - References - Multi-References

Danfoss VLT 5005
240 pages
Print Icon
To Next Page IconTo Next Page
To Next Page IconTo Next Page
To Previous Page IconTo Previous Page
To Previous Page IconTo Previous Page
Loading...
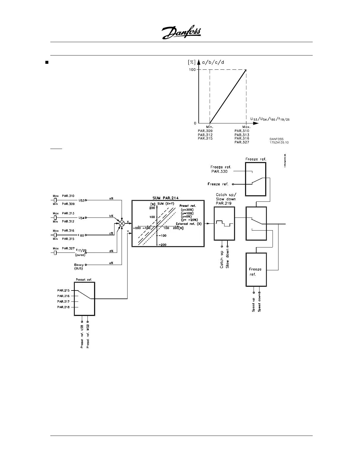
References - multi-references
If the multi-reference is used, two or more reference
signals are connected, either in the form of external or
preset reference signals. Via parameter 214 these can
be combined in three different ways:
/Sum
Multi-ref. Relative
\ External/preset
In the following, each reference type (sum, relative and
external/preset) is shown:
SUM
VLT
®
5000 Series
192 MG.51.C5.22 - VLT
p
is a registered Danfoss trademark.

Table of Contents

Other manuals for Danfoss VLT 5005

Related product manuals