EasyManua.ls Logo

Danfoss VLT 5005 - Page 197

Danfoss VLT 5005
240 pages
To Next Page IconTo Next Page
To Next Page IconTo Next Page
To Previous Page IconTo Previous Page
To Previous Page IconTo Previous Page
Loading...
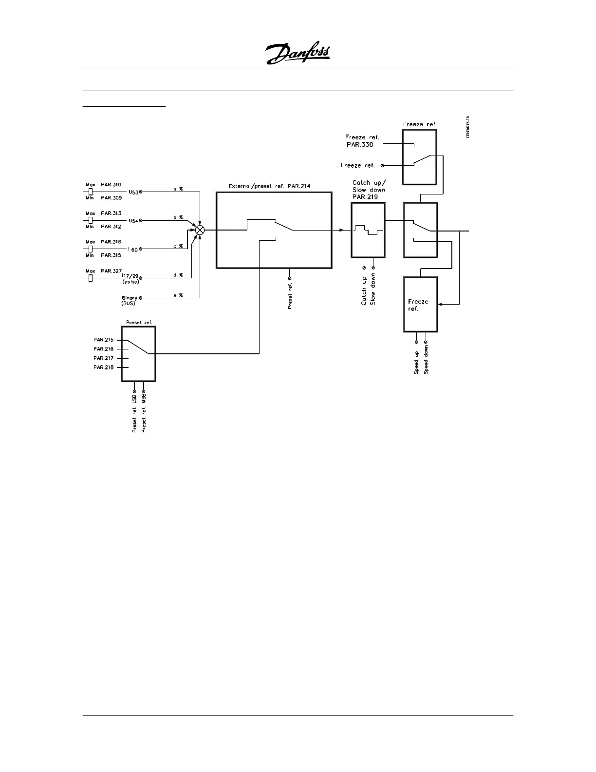
EXTERNAL/PRESET
VLT
®
5000 Series
194 MG.51.C5.22 - VLT
p
is a registered Danfoss trademark.

Table of Contents

Other manuals for Danfoss VLT 5005

Related product manuals