EasyManua.ls Logo

Dantherm Cooling HEXFLOW PINNACLE Series - AC Voltage Diagram: All Models (A;B); DC Voltage Diagram: All Models (Y;Z) without Speed Control

Dantherm Cooling HEXFLOW PINNACLE Series
14 pages
Print Icon
To Next Page IconTo Next Page
To Next Page IconTo Next Page
To Previous Page IconTo Previous Page
To Previous Page IconTo Previous Page
Loading...
Page 11 of 14
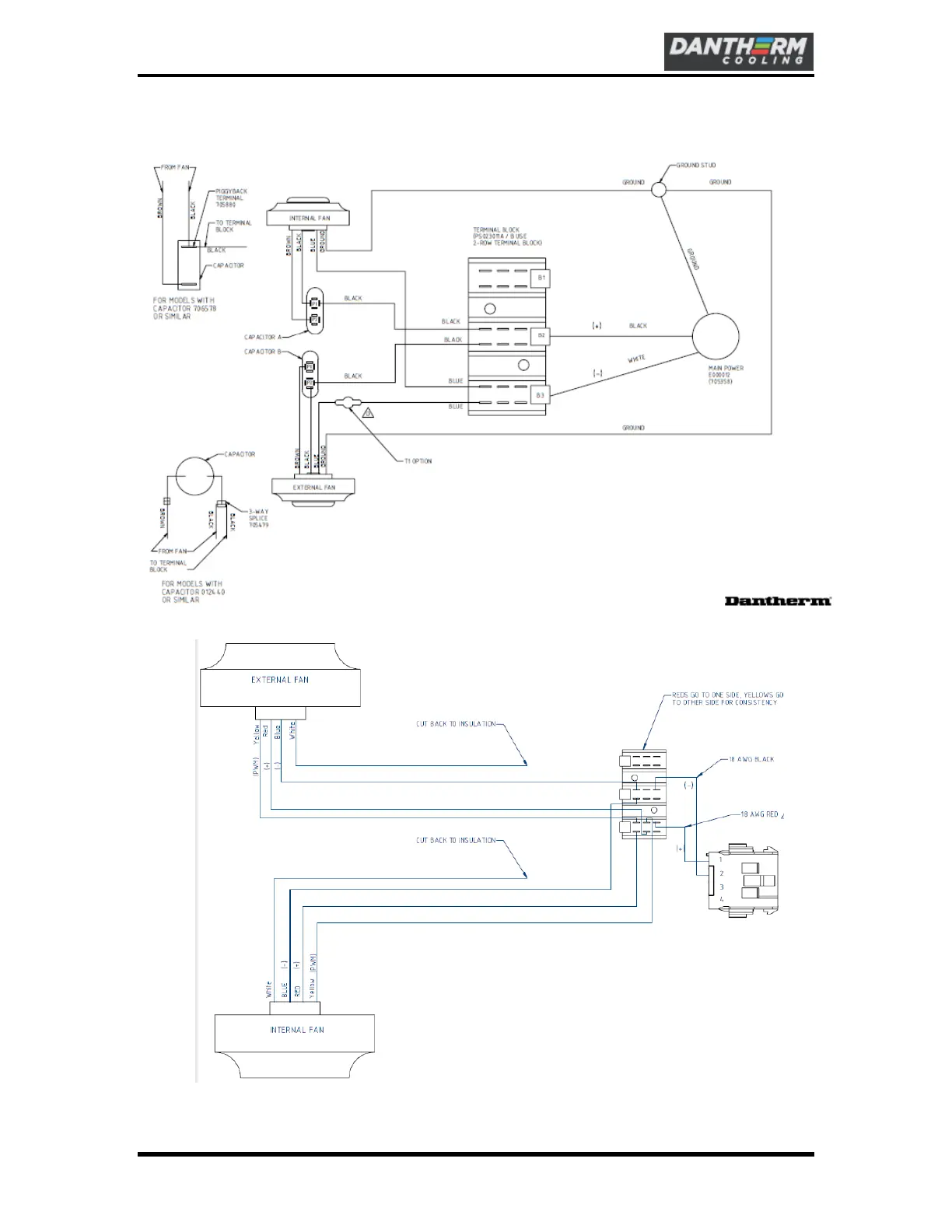
8.1.1. AC Voltage Diagram: All Models (11/17/22/35/45/55/100) A/B
8.1.2. DC Voltage Diagram: All Models (11/17/22/35/45/55) Y/Z without speed control
Dantherm Cooling , Inc. Heat Exchanger Operating & Maintenance Manual
HexFlow Pinnacle Series Product Information Manual

Related product manuals