EasyManua.ls Logo

Dantherm Cooling HEXFLOW PINNACLE Series - PS023011;017;022-XX Series Cut Out and Mounting (2008-on); PS023026-XX Series Cut Out and Mounting

Dantherm Cooling HEXFLOW PINNACLE Series
14 pages
Print Icon
To Next Page IconTo Next Page
To Next Page IconTo Next Page
To Previous Page IconTo Previous Page
To Previous Page IconTo Previous Page
Loading...
Page 7 of 14
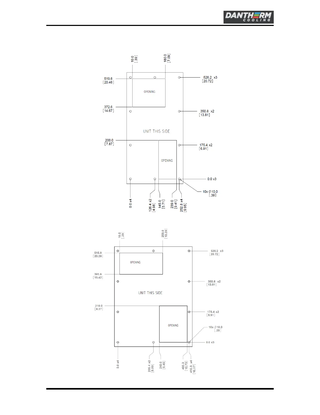
5.2.3. Cut Out & Mounting Information PS023011/017/022-XX series
(2008 on)
5.2.4. Cut Out & Mounting Information PS023026-XX series
Dantherm Cooling , Inc. Heat Exchanger Operating & Maintenance Manual
HexFlow Pinnacle Series Product Information Manual

Related product manuals