EasyManua.ls Logo

Data East Batman - Power Wiring Diagram; Power Supply Connections

Data East Batman
70 pages
Print Icon
To Next Page IconTo Next Page
To Next Page IconTo Next Page
To Previous Page IconTo Previous Page
To Previous Page IconTo Previous Page
Loading...
44
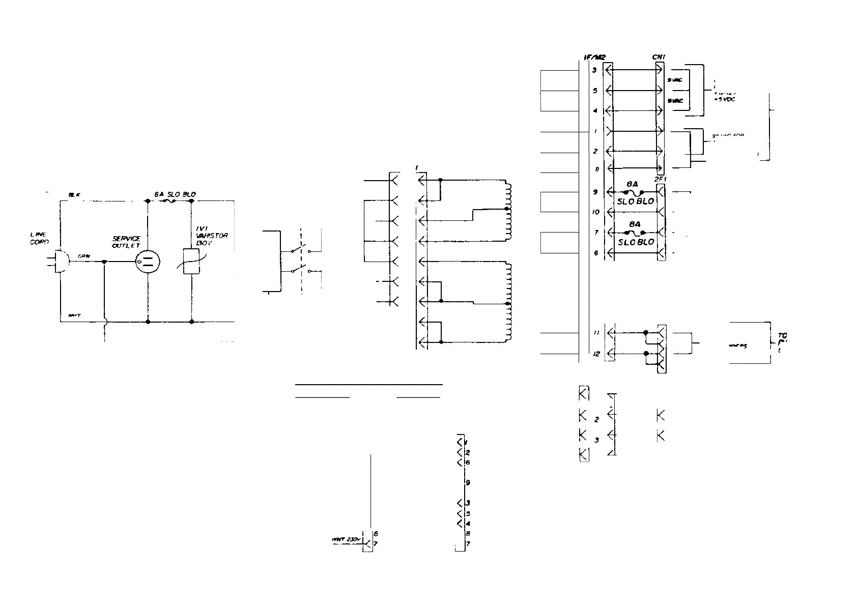
Power Wiring Diagram
TRIS CONFfGURATION FOR U9V
FOR LOWER LINE VOLTAGE S
OR 230 VOLT OPERATION
SEE SAMPLES BELO*
3LK
ITI
IFI
LINE F/LTER
120/240 V 50/50Hi
ILI
RMT
t
V V
>jQ>4>UIU«><n
r
v
JUMPERS FOR VOLTAGE VARIATION
230/218/206VOLTS rQO/fO5 VOLTS
tri • 44 sto sto /FI 94 sto ato
IVI • 273V
VARtSTOR
IVI • I30V VARtSTOR
/FI
/FI
BLK
AJ
206 V
I
/IN')
A A A A
À Ut U*
9tK
r
RRT
9
wr
FCRLOGK
TO BRIDGE
RECTiFrEPS
TO PO*ER
SURRLY BOARO
90 VAC FOR
— ALPHA NUMERIC
DISPLAY
100 VAC FOR
------------ DOT
MATRIX
DISPLAY
1/3
| FOR LJUARS
j
25 AK
r“ roasotrwQOS
4RY
<
-fiwr-wwr
2*
^GPT-CRW
\
/
WWT
\
X
WHT-GflN
2
z
BLK
-
RED
X
z
0LU-WWT
z
WHT-RFO
\
z
QwHr-aro
\
z
9LK-VEL
X
/
atr- vrt
\
z
I
rrt
rm
CNA
IF/M3
2F2
!
A4 VAC
FOR FLIPPFRS
'7
YEL-RHT
!
4
2
J
PPB
BOARO
i S
VAC
— FOR 6 f
LAMR$
TO PO*E°
SURFtr BOARO