EasyManua.ls Logo

Data East Batman - Page 51

Data East Batman
70 pages
Print Icon
To Next Page IconTo Next Page
To Next Page IconTo Next Page
To Previous Page IconTo Previous Page
To Previous Page IconTo Previous Page
Loading...
23-800
LEFT
SUNGSHO
T
SP2
23-800
CENTER
THUMPE
R
BUMPER
23-800
RIGHT
THUMPE
R
BUMPER
BLU—
RED
BUJ-BRN
BLU—
GRN
BLU
<
<
<
<
<
<
RED POWER
—r<| ® FSUPPLY
CPU BOARD
/ --------------------------
3 SWSOL
4 SW^OL
8 SW^OL
7 SW.SOL
8 SWSOL
9 SWSOL
HHH
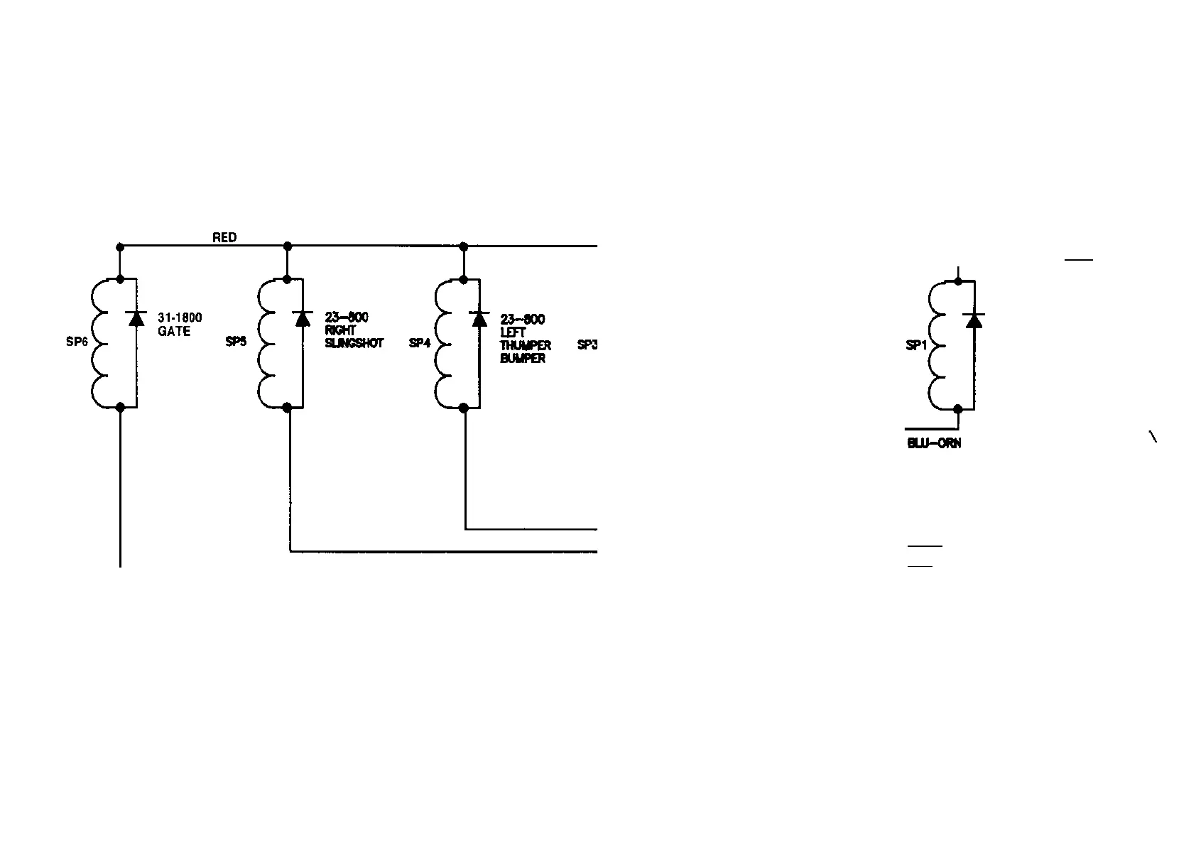
Playfield Special Coil Diagram
47

Related product manuals