EasyManua.ls Logo

Dataradio INTEGRA-H - Page 42

Default Icon
43 pages
Print Icon
To Next Page IconTo Next Page
To Next Page IconTo Next Page
To Previous Page IconTo Previous Page
To Previous Page IconTo Previous Page
Loading...
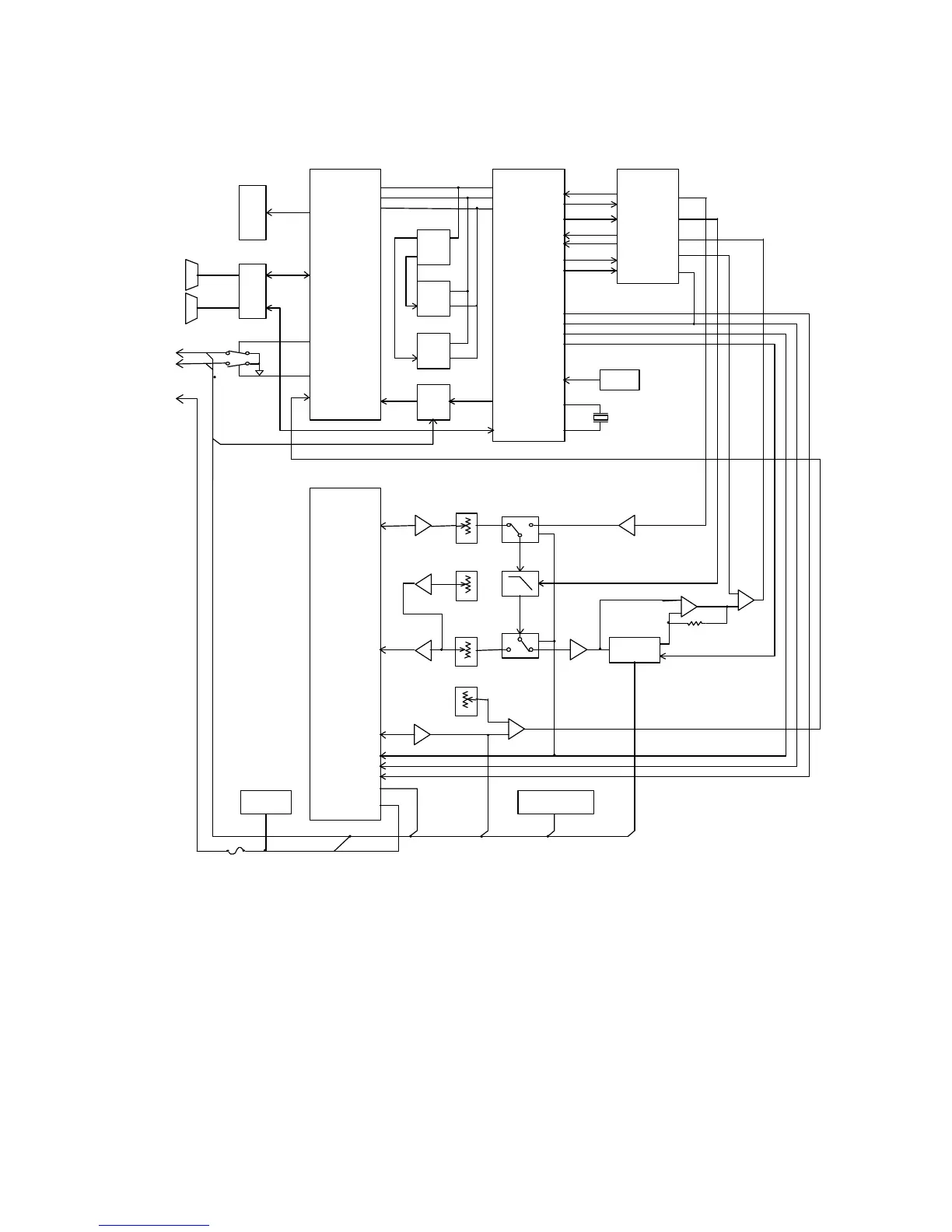
CIRCUIT DESCRIPTION
6-4
Part No. 001-4090-101/102
Figure 6-1 Logic Board Block Diagram
BI-COLOR
LED
RS-232
DRIVER
DE9
DE9
SETUP
PORT
USER
PORT
U15
U21
PERIPHERAL
PA0-PA7
SIO-A
Q4
OUT
OUT-2
U17
CPU
MEM.
DECODE
U20A ,B
ROM
U22
RAM
U18
A/D
U4
CONTROL BUS
DATA BUS
ADDRESS BUS
CLK,DATA
SELECT
SIO-B
U16
TXC
TXD
CLOCK
RXC
CPLD
MODEM
RXD
MODE
SPEED
RADIO
MODULE
TXA
FILTER
CLOCK
RXS
SLICER
LEVEL
RX-EN
U1B
U5D
E-POT
U3A
RX GAIN
RXA
U5C
E-POT
U9D
WARP
U5B
E-POT
U9B
DEV
U5A
E-POT
U7B
TXA
U8A
U10
U8B
RSSI
U1A
U1D
PEAK
DETECT
U3C,D,B
U1C
FAST PEAK DETECT
TX-EN
TX ENABLE
RX-EN
RX ENABLE
SYNTH
SYNTHESIZER ENABLE-CLOCK-DATA
RESET
U19
X1
19.6MHz
CD
CARRIER DETECT
EXT 1
EXT 2
DIAG
U7A
TEMPERATURE
U6
SENSOR
5 VOLTS
U11,U12
REGULATOR
SWB+
13.6 V
OUT
F1
REV DESCRIPTION DATE
DATARADIO INC.
Check
Draft
Design
P/N
SIZE
B
SHEET
Check
DOC/N
DATE
LEVEL
INTEGRA-R
LOGIC BLOCK DIAGRAM
210-03315-000
1 / 1
990302
990302
DUNG NGUYEN
EMISSION0