EasyManua.ls Logo

Dateq BCS50 - BCS58 Master Module Connections; External Connection Points

Dateq BCS50
40 pages
Print Icon
To Next Page IconTo Next Page
To Next Page IconTo Next Page
To Previous Page IconTo Previous Page
To Previous Page IconTo Previous Page
Loading...
30 BCS58 Master DATEQ BCS50 user manual EN
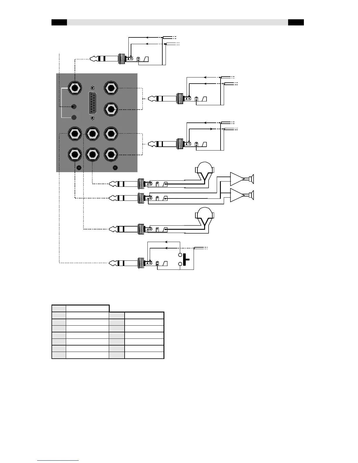
Connections
External meter connections
1 GND
2 PGM-L 9 PGM-R
3 AIR-L 10 AIR-R
4 SPARE 1-L 11 SPARE 1-R
5 SPARE 2-L 12 SPARE 2-R
6 AUD-L 13 AUD-R
7 AUX-L 14 AUX-R
8 PFL-L 15 PFL-R
INSERT-L and INSERT-R
Additional compression equipment can be connected to the mixer with these inserts.
GUEST
ANN.
R
L
INSERT
S= gnd
R= return
T= send
S= gnd
R= ctrl
T= t.b.in
SPARE2
SPARE1
EXT.
METER
S= gnd
R= R
T= L
AIR
R
L
TRIM
R
L
S= gnd
R= ctrl
T= t.b.in
T.B. IN
STUDIO
T.B. IN
ring
tip
gnd
Insert send
Insert return
ring
tip
gnd
Spare in L
Spare in R
AIR input level
Headphone connector for the guests
Headphone connector for the announcer
ring
tip
gnd
Air in L
Air in R
ring
tip
gnd
Talkback in
TalkBack
RIGHT
LEFT
Studio speakers
left
right
left
right
left
right

Related product manuals