EasyManua.ls Logo

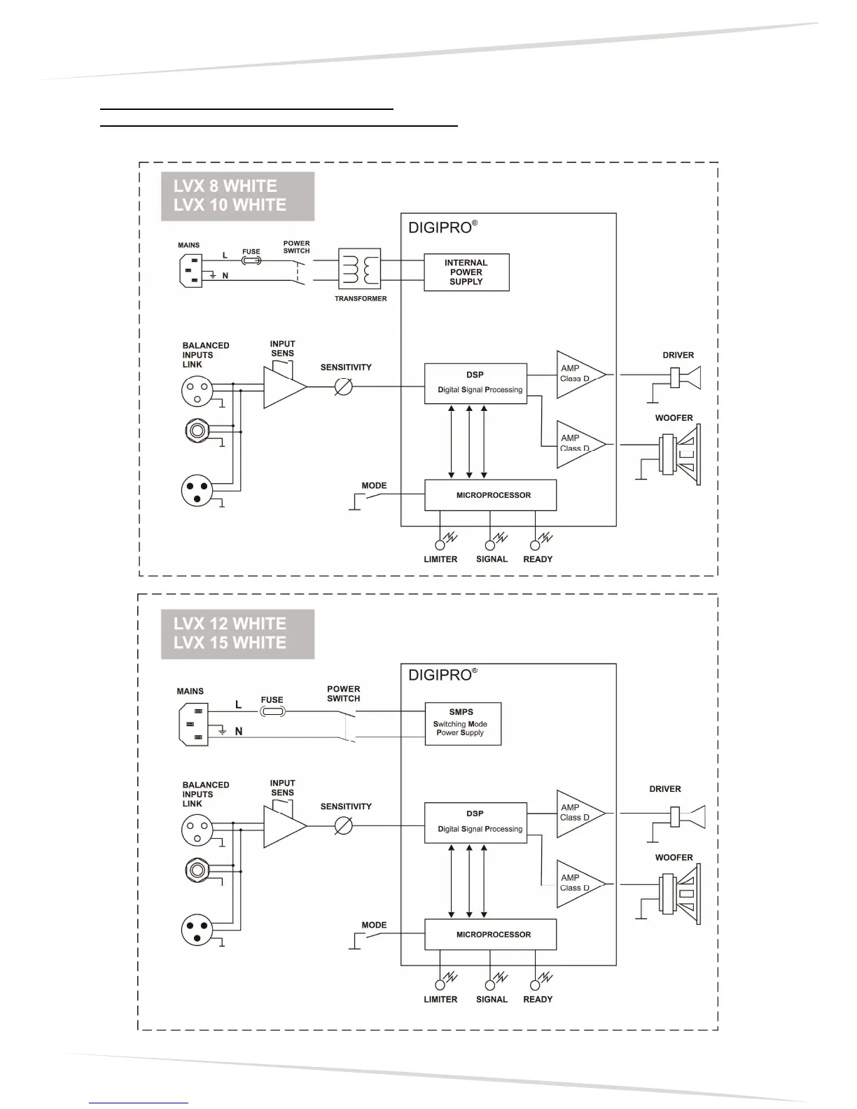
dB Technologies LVX 10 - BLOCK DIAGRAMS; LVX 8;10 WHITE Block Diagram; LVX 12;15 WHITE Block Diagram

dB Technologies LVX 10
Print Icon
To Next Page IconTo Next Page
To Next Page IconTo Next Page
To Previous Page IconTo Previous Page
To Previous Page IconTo Previous Page
Loading...
LVX WHITE Professional Active Speaker
31
SCHEMA A BLOCCHI - BLOCK DIAGRAM
BLOCKSCHALTBILD - SCHEMAS FONCTIONNELS

Related product manuals