EasyManua.ls Logo

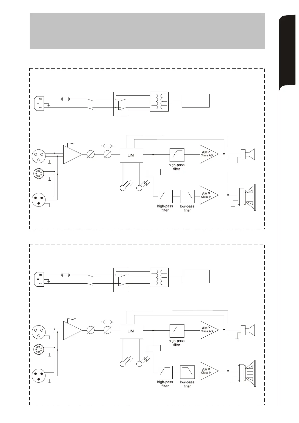
dB Technologies OPERA LIVE Series - Block Diagram

dB Technologies OPERA LIVE Series
12 pages
Print Icon
To Next Page IconTo Next Page
To Next Page IconTo Next Page
To Previous Page IconTo Previous Page
To Previous Page IconTo Previous Page
Loading...
12dB/oct.
VOLUME
COMPRESSION
DRIVER
SENS
-40dB / 0dB
SCHEMA A BLOCCHI
BLOCK DIAGRAM
BLOCKSCHALTBILD
DIAGRAMA EM BLOQUES
OPERA LIVE 400 series
12dB/oct.
12dB/oct.
BALANCED
INPUTS
LINK
L
N
MAINS
FUSE
POWER
SWITCH
VOLTAGE
SELECTOR
INTERNAL
AMPLIFIER
TRANSFORMER
LIMITER
PROTECTION
INDICATOR
POWER ON
READY
INDICATOR
DELAY
EQUALIZATION
WOOFER
12dB/oct.
VOLUME
DRIVER
SENS
-40dB / 0dB
OPERA LIVE 200 series
12dB/oct.
12dB/oct.
BALANCED
INPUTS
LINK
L
N
MAINS
FUSE
POWER
SWITCH
VOLTAGE
SELECTOR
INTERNAL
AMPLIFIER
TRANSFORMER
LIMITER
PROTECTION
INDICATOR
POWER ON
READY
INDICATOR
DELAY
EQUALIZATION
WOOFER
23
24
Anello
Gambo
Punta = Positivo/Caldo/Fase +VE
Anello = Negativo/Freddo/Fase -VE
Punta
Gambo
Punta = Segnale
Gambo=Schemo/Massa/Terra
Funzionamento sbilanciato con
connettore jack 1/4” (6,3mm)
1
2
3
Ingresso
XLR - maschio
Pin 3 =Negativo/Freddo/Fase -VE
1
2
3
Uscita
XLR - femmina
1
2
3
Funzionamento sbilanciato con
connettore XLR
Ingresso
XLR - maschio
Pin 2 = Positivo/Caldo/Fase +VE
Pin 1 =Schermo/Terra/Massa
1
2
3
Uscita
XLR - femmina
Pin 3 = Connesso al Pin 1
Pin 3 = Connesso al Pin 1
Funzionamento bilanciato con
connettore jack 1/4” (6,3mm)
Gambo=Schemo/Massa/Terra
Punta
Funzionamento bilanciato con
connettore XLR
Pin 1 =Schermo/Terra/Massa
Pin 2 = Positivo/Caldo/Fase +VE
Pin 2 = Positivo/Caldo/Fase +VE
Pin 1 =Schermo/Terra/Massa
Pin 1 =Schermo/Terra/Massa
Pin 2 = Positivo/Caldo/Fase +VE
Pin 3 =Negativo/Freddo/Fase -VE
COLLEGAMENTI - CONNECTIONS
BRANCHEMENTSANSCHLÜSSE -
Tip
Sleeve
Tip = Signal
Sleeve=Screen/Ground/Earth
Unbalanced use of stereo 1/4” jack plug
Tip
Ring
Sleeve
Tip = Positive/Hot/+VE Phase
Ring=Negative/Cold/-VE Phase
Sleeve=Screen/Ground/Earth
Balanced use of stereo 1/4” jack plug
Balanced use with XLR connectors
Input
XLR - male
Pin 2 = Positive/Hot/+VE Phase
Pin 3 =Negative/Cold/-VE Phase
Pin 1 =Screen/Ground/Earth
Output
XLR - female
Pin 2 = Positive/Hot/+VE Phase
Pin 3 =Negative/Cold/-VE Phase
Pin 1 =Screen/Ground/Earth
Unbalanced use with XLR connectors
Input
XLR - male
Pin 2 = Positive/Hot/+VE Phase
Pin 1 =Screen/Ground/Earth
Output
XLR - female
Pin 2 = Positive/Hot/+VE Phase
Pin 1 =Screen/Ground/Earth
Pin 3 = Link to Pin 1
Pin 3 = Link to Pin 1
FIG. 2
OPERA LIVE frontal box
1

Related product manuals