EasyManua.ls Logo

DCS MO-24SS - Page 36

DCS MO-24SS
44 pages
Print Icon
To Next Page IconTo Next Page
To Next Page IconTo Next Page
To Previous Page IconTo Previous Page
To Previous Page IconTo Previous Page
Loading...
34
6
45
1
2
3
6
45
1
2
3
A
B
C
D
E
F
G
H
A
B
C
D
E
F
G
H
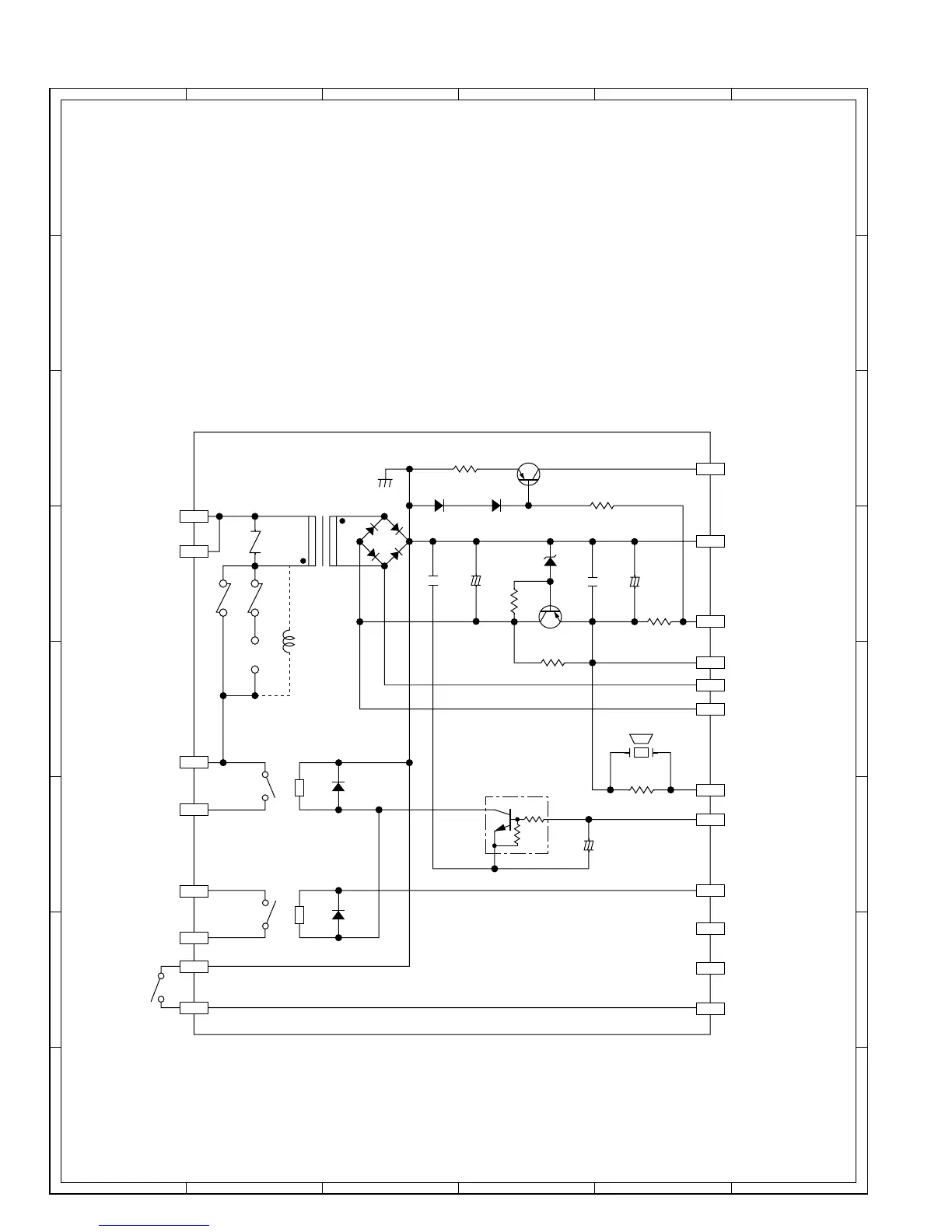
Figure S-2 Power Unit Circuit
+
+
+
A 1
CN-A
R4 27
D5
T1
1
3
4
D1
D3
D2
D4
6
ab
c
d
VRS1
(J1)
D7D8
1SS270A1SS270A
10G471K
C1 0.1µ/50v
C3 0.1µ/50v
ZD1
HZ16-1
C5 10µ/35v
C2 1000µ/35v
C4 10µ/35v
R1 2.4k
1SS270A1SS270A
D1-D4
11ES1
D6
R5 4.7k
R2 680 1/2w
R3 510 1/2w
R6 3.3k
Q2 2SB1238
SP1 PKM22EPT
Q1 2SB1238
RY1
RY2
Q3 KRC243M
CN-C
12PIN LEAD
WIRE HARNESS
LED
GND
VC
VA
INT
VR
BUZZER
MICRO
NC
NC
DOOR
SENSING
SWITCH
OVEN LAMP
TURNTABLE
MOTOR
FAN MOTOR
AC
AC
MICRO
DOOR
SENSING
SWITCH
OVEN LAMP
TURNTABLE
MOTOR
FAN MOTOR
C10
C 2
C 3
C 1
C 4
C 9
C 5
C 6
C 7
C 8
C11
C12
A 2
NO
COM
COM
B 2
B 2
NO

Other manuals for DCS MO-24SS