EasyManua.ls Logo

Dea ghost 200 - Page 47

Dea ghost 200
Print Icon
To Next Page IconTo Next Page
To Next Page IconTo Next Page
To Previous Page IconTo Previous Page
To Previous Page IconTo Previous Page
Loading...
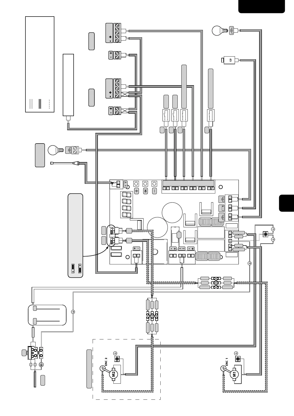
GHOST 200
45
PT
CON 1
7981011 12131415
16 17
18
19
20
21
22
23
24
25
26
27
28
29
33
32
2
1
4
3
6
5
ABAB
F2
FLASH
LOCK
WARNING
J5 J9
LIGAÇÕES ENCODER SOMENTE SE PRESENTE
LIGAÇÕES INTERNAS FEITAS DE FÁBRICA
LIGAÇÕES EXTERNAS FEITAS PELO INSTALADOR
N.O.
N.O.
RG58
N.C.
START
PED
TX RX
TX RX
PHOTO 2PHOTO 1
Mot 2 (Somente se presente)
LUZ DE AVISO DE PORTA ABERTA
24V 15w
FECHADURA ELECTRICA
art.110
FLASH
AURA N
max 15W
2 x 1 mm
2
2 x 1 mm
2
2 x 0,5 mm
2
2 x 0,5 mm
2
2 x 0,5 mm
2
2 x 0,5 mm
2
2 x 0,5 mm
2
2 x 0,5 mm
2
2 x 0,5 mm
2
2 x 0,5 mm
2
3 x 1,5 mm
2
3 x 1,5 mm
2
3 x 0,22 mm
2
3 x 0,22 mm
2
N.C.
2 x 0,5 mm
2
COM
N.C.
N.O.
COM
N.C.
N.O.
230V
22V
F
N
TRANSFORMADOR
230V/22V
TENSÃO DE ALIMENTAÇÃO
230V~ 50Hz ±10%
F1
STOP (Somente se necessário)
2 x 0,5 mm
2
SAFETY (Somente se necessário)
ENC
M2
ENC
M1
A
Posição "A" = motores com encoder (não esquecer de colocar P029=0)
B
Posição "B" = motores sem encoder (não esquecer de colocar P029=1)
Para o terminal 32/33 para ligação normal
Ao terminal 1/2 para dispositivos de segurança (P071)
AZUL
VERMELHO
CASTANHO
BRANCO
VERDE
CASTANHO
BRANCO
VERDE
CASTANHO
BRANCO
VERDE
CASTANHO
BRANCO
VERDE
AZUL
VERMELHO
COM
IN_1
COM
IN_2
COM
IN_3
COM
IN_4
COM
IN_5
COM
IN_6
Diagrama de cablagem para 24V

Other manuals for Dea ghost 200

Related product manuals