EasyManua.ls Logo

Dea ghost 200 - Page 48

Dea ghost 200
Print Icon
To Next Page IconTo Next Page
To Next Page IconTo Next Page
To Previous Page IconTo Previous Page
To Previous Page IconTo Previous Page
Loading...
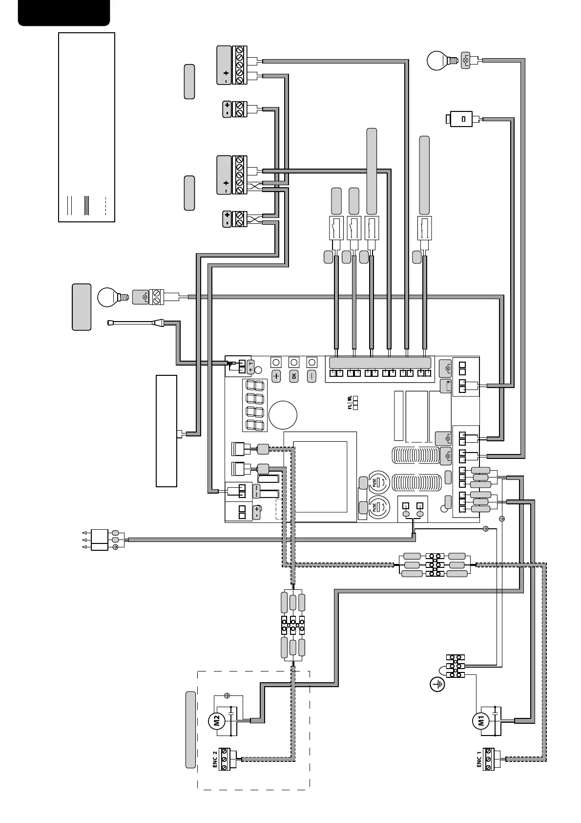
GHOST 200
46
2
1
910 1112
13 14
15 16
34 5 678
WARNING
LOCK
F2F1
FLASH
230V
MOT 1 MOT 2
WL/FL24V
18
19
20
21
22
23
24
25
26
27
28
29
2 x 0,5 mm
2
Para o terminal 31/32 para ligação normal
Ao terminal 33/34 para dispositivos de segurança
N.O.
N.O.
RG58
ENC
M2
ENC
M1
N.C.
START
PED
TX RX
COM
N.C.
N.O.
TX RX
PHOTO 2PHOTO 1
2 x 1 mm
2
2 x 1 mm
2
2 x 0,5 mm
2
2 x 0,5 mm
2
2 x 0,5 mm
2
2 x 0,5 mm
2
2 x 0,5 mm
2
2 x 0,5 mm
2
2 x 0,5 mm
2
4 x 1,5 mm
2
4 x 1,5 mm
2
3 x 0,22 mm
2
N.C.
2 x 0,5 mm
2
F
N
F
N
3 x 1,5 mm
2
3 x 0,22 mm
2
LED230AI
max 40W
FLASH
230V
COM
N.C.
N.O.
2 x 0,5 mm
2
LIGAÇÕES ENCODER SOMENTE SE PRESENTE
LIGAÇÕES INTERNAS FEITAS DE FÁBRICA
LIGAÇÕES EXTERNAS FEITAS PELO INSTALADOR
SAFETY (somente se necessário)
Mot 2 (Somente se presente)
FECHADURA ELECTRICA
art.110
STOP (somente se necessário)
LUZ DE AVISO DE PORTA ABERTA
230V max 150W
MARROM
PRETO
CINZA
INTERRUPTOR OMNIPOLAR
DE ALIMENTAÇÃO
230V~ 50Hz ±10%
MARROM
BRANCO
VERDE
MARROM
BRANCO
VERDE
MARROM
BRANCO
VERDE
MARROM
BRANCO
VERDE
MARROM
PRETO
CINZA
COM
IN_1
COM
IN_2
COM
IN_3
COM
IN_4
COM
IN_5
COM
IN_6
32 3134 33
Diagrama de cablagem para 230V

Other manuals for Dea ghost 200

Related product manuals