EasyManua.ls Logo

Dea ghost 200 - Page 55

Dea ghost 200
Print Icon
To Next Page IconTo Next Page
To Next Page IconTo Next Page
To Previous Page IconTo Previous Page
To Previous Page IconTo Previous Page
Loading...
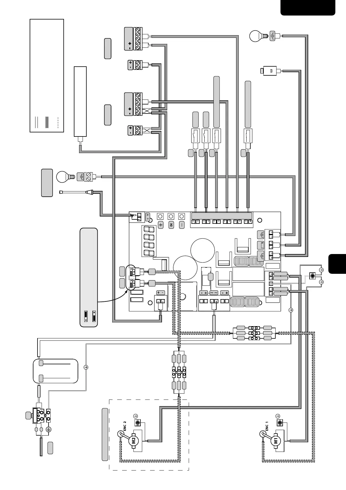
GHOST 200
53
PL
CON 1
7981011 12131415
16 17
18
19
20
21
22
23
24
25
26
27
28
29
33
32
2
1
4
3
6
5
ABAB
F2
FLASH
LOCK
WARNING
J5 J9
2.$%/2:$1,((1.2'(5$7</.2:7('<*'<:<67ĉ38-(
:(:1ĉ75=1(2.$%/2:$1,()$%5<&=1(
=(:1ĉ75=1(2.$%/2:$1,(:<.21$1(35=(=,167$/$725$
N.O.
N.O.
RG58
N.C.
START
PED
TX RX
TX RX
PHOTO 2PHOTO 1
Mot 2 (7\ONRZWHG\JG\Z\VWĊSXMH
ĝ:,$7à2*5=(&=12ĝ&,2:(
24V 15w
ELEKTROZAMEK
art.110
FLASH
AURA N
max 15W
2 x 1 mm
2
2 x 1 mm
2
2 x 0,5 mm
2
2 x 0,5 mm
2
2 x 0,5 mm
2
2 x 0,5 mm
2
2 x 0,5 mm
2
2 x 0,5 mm
2
2 x 0,5 mm
2
2 x 0,5 mm
2
3 x 1,5 mm
2
3 x 1,5 mm
2
3 x 0,22 mm
2
3 x 0,22 mm
2
N.C.
2 x 0,5 mm
2
COM
N.C.
N.O.
COM
N.C.
N.O.
230V
22V
F
N
TRANSFORMATOR
230V/22V
ZASILANIE
230V~ 50Hz ±10%
F1
STOP (Tylko w razie potrzeby)
2 x 0,5 mm
2
SAFETY (Tylko w razie potrzeby)
ENC
M2
ENC
M1
A
3R]³$´ VLáRZQLN]HQFRGHUHP3 SDWU]³WDEHODSDUDPHWU\´
B
3R]³%´ VLáRZQLNEH]HQFRGHUD3 SDWU]³WDEHODSDUDPHWU\´
'R]DFLVNXSU]\SRGáąF]HQLXEH]IRWRWHVWHP
'R]DFLVNXSU]\SRGáąF]HQLX]IRWRWHVWHP3
GRANATOWY
CZERWONY
BRĄZ
BIAŁY
ZIELEŃ
BRĄZ
BIAŁY
ZIELEŃ
BRĄZ
BIAŁY
ZIELEŃ
BRĄZ
BIAŁY
ZIELEŃ
GRANATOWY
CZERWONY
COM
IN_1
COM
IN_2
COM
IN_3
COM
IN_4
COM
IN_5
COM
IN_6
Schemat połączeń dla 24V

Other manuals for Dea ghost 200

Related product manuals