EasyManua.ls Logo

Dea ghost 200 - Page 56

Dea ghost 200
Print Icon
To Next Page IconTo Next Page
To Next Page IconTo Next Page
To Previous Page IconTo Previous Page
To Previous Page IconTo Previous Page
Loading...
GHOST 200
54
2
1
910 1112
13 14
15 16
34 5 678
WARNING
LOCK
F2F1
FLASH
230V
MOT 1 MOT 2
WL/FL24V
18
19
20
21
22
23
24
25
26
27
28
29
2 x 0,5 mm
2
'R]DFLVNXSU]\SRGáąF]HQLXEH]IRWRWHVWHP
'R]DFLVNXSU]\SRGáąF]HQLX]IRWRWHVWHP
N.O.
N.O.
RG58
ENC
M2
ENC
M1
N.C.
START
PED
TX RX
COM
N.C.
N.O.
TX RX
PHOTO 2PHOTO 1
2 x 1 mm
2
2 x 1 mm
2
2 x 0,5 mm
2
2 x 0,5 mm
2
2 x 0,5 mm
2
2 x 0,5 mm
2
2 x 0,5 mm
2
2 x 0,5 mm
2
2 x 0,5 mm
2
4 x 1,5 mm
2
4 x 1,5 mm
2
3 x 0,22 mm
2
N.C.
2 x 0,5 mm
2
F
N
F
N
3 x 1,5 mm
2
3 x 0,22 mm
2
LED230AI
max 40W
FLASH
230V
COM
N.C.
N.O.
2 x 0,5 mm
2
SAFETY (Tylko w razie potrzeby)
Mot 2 (7\ONRZWHG\JG\Z\VWĊSXMH
ELEKTROZAMEK
art.110
STOP (Tylko w razie potrzeby)
ĝ:,$7à2*5=(&=12ĝ&,2:(
230V max 150W
BRĄZ
CZARNY
SZARY
35=(àĄ&=1,.-('12%,(*812:<
230V~ 50Hz ±10%
2.$%/2:$1,((1.2'(5$7</.2:7('<*'<:<67ĉ38-(
:(:1ĉ75=1(2.$%/2:$1,()$%5<&=1(
=(:1ĉ75=1(2.$%/2:$1,(:<.21$1(35=(=,167$/$725$
BRĄZ
BIAŁY
ZIELEŃ
BRĄZ
BIAŁY
ZIELEŃ
BRĄZ
BIAŁY
ZIELEŃ
BRĄZ
BIAŁY
ZIELEŃ
BRĄZ
CZARNY
SZARY
COM
IN_1
COM
IN_2
COM
IN_3
COM
IN_4
COM
IN_5
COM
IN_6
32 3134 33
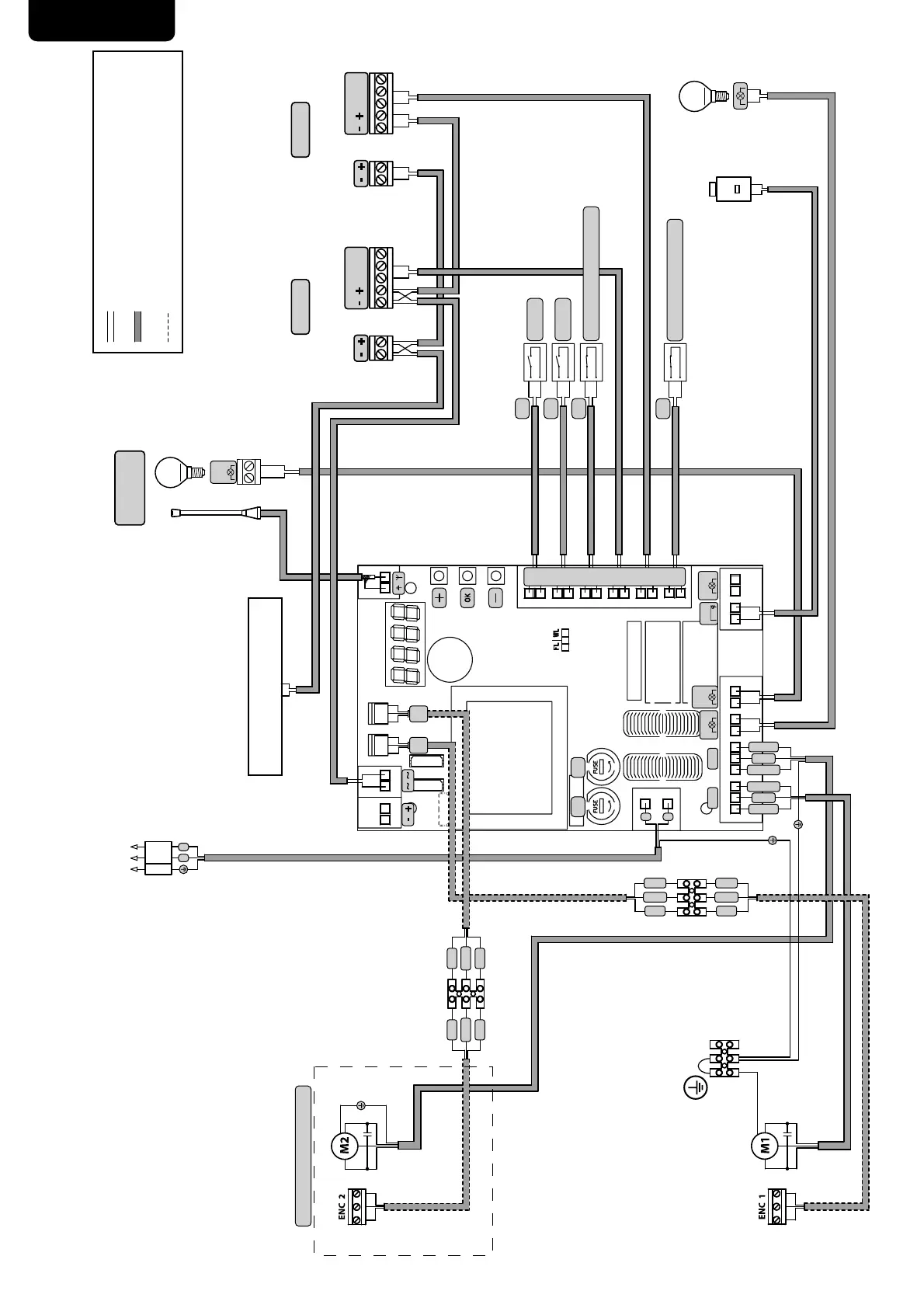
Schemat połączeń dla 230V

Other manuals for Dea ghost 200

Related product manuals