EasyManua.ls Logo

Dea ghost 200 - Page 64

Dea ghost 200
Print Icon
To Next Page IconTo Next Page
To Next Page IconTo Next Page
To Previous Page IconTo Previous Page
To Previous Page IconTo Previous Page
Loading...
GHOST 200
62
2
1
910 1112
13 14
15 16
34 5 678
WARNING
LOCK
F2F1
FLASH
230V
MOT 1 MOT 2
WL/FL24V
18
19
20
21
22
23
24
25
26
27
28
29
2 x 0,5 mm
2
ɗɅȿɄɌɊɈɉɊɈȼɈȾɄȺɗɇɄɈȾȿɊȺɌɈɅɖɄɈȿɋɅɂɉɊɂɋɍɌɋɌȼɍȿɌ
ȼɇɍɌɊȿɇɇəəɉɊɈȼɈȾɄȺɉɊȿȾɍɋɆɈɌɊȿɇɇɎȺȻɊɂɄɈɃ
ȼɇȿɒɇəəɗɅȿɄɌɊɈɉɊɈȼɈȾɄȺɉɊȿȾɍɋɆɈɌɊȿɇɍɋɌȺɇɈȼɓɂɄɈɆ
Н.O.
Н.O.
RG58
Н.З.
SAFETY (ɟɫɥɢɧɟɨɛɯɨɞɢɦ
START
PED
TX RX
Общ
Н.З.
Н.O.
TX RX
PHOTO 2PHOTO 1
ɋɂȽɇȺɅɖɇȺəɅȺɆɉɈɑɄȺ
ȼɈɊɈɌȺɈɌɄɊɕɌɕ
ȼɆȺɄɋȼȺɌɌ
ɗɅȿɄɌɊɈɁȺɆɈɄ
art.110
2 x 1 mm
2
2 x 1 mm
2
2 x 0,5 mm
2
2 x 0,5 mm
2
2 x 0,5 mm
2
2 x 0,5 mm
2
2 x 0,5 mm
2
2 x 0,5 mm
2
2 x 0,5 mm
2
4 x 1,5 mm
2
4 x 1,5 mm
2
3 x 0,22 mm
2
Н.З.
STOP (ɟɫɥɢɧɟɨɛɯɨɞɢɦ
2 x 0,5 mm
2
F
N
F
N
3 x 1,5 mm
2
3 x 0,22 mm
2
LED230AI
МАКС 40ВАТТ
FLASH
230V
Общ
Н.З.
Н.O.
2 x 0,5 mm
2
Привод 2 (ɬɨɥɶɤɨɟɫɥɢɩɪɢɫɭɬɫɬɜɭɟɬ
ɑɬɨɛɵɬɟɪɦɢɧɚɥɞɥɹɧɨɪɦɚɥɶɧɨɣɫɜɹɡɢ
ɑɬɨɛɵɬɟɪɦɢɧɚɥɞɥɹɤɨɧɬɪɨɥɢɪɭɟɦɵɯ
ɭɫɬɪɨɣɫɬɜɛɟɡɨɩɚɫɧɨɫɬɢ
ȼɋȿɉɈɅəɊɇɕɃȼɕɄɅɘɑȺɌȿɅɖ
ɩɢɬɚɧɢɟȼaȽɰ
КОРИЧНЕВЫЙ
БЕЛЫЙ
ЗЕЛЕНЫЙ
КОРИЧНЕВЫЙ
БЕЛЫЙ
ЗЕЛЕНЫЙ
ЭНКОДЕР 1
ЭНКОДЕР 2
КОРИЧНЕВЫЙ
ЧЕРНЫЙ
СЕРЫЙ
КОРИЧНЕВЫЙ
ЧЕРНЫЙ
СЕРЫЙ
КОРИЧНЕВЫЙ
БЕЛЫЙ
ЗЕЛЕНЫЙ
КОРИЧНЕВЫЙ
БЕЛЫЙ
ЗЕЛЕНЫЙ
COM
IN_1
COM
IN_2
COM
IN_3
COM
IN_4
COM
IN_5
COM
IN_6
32 3134 33
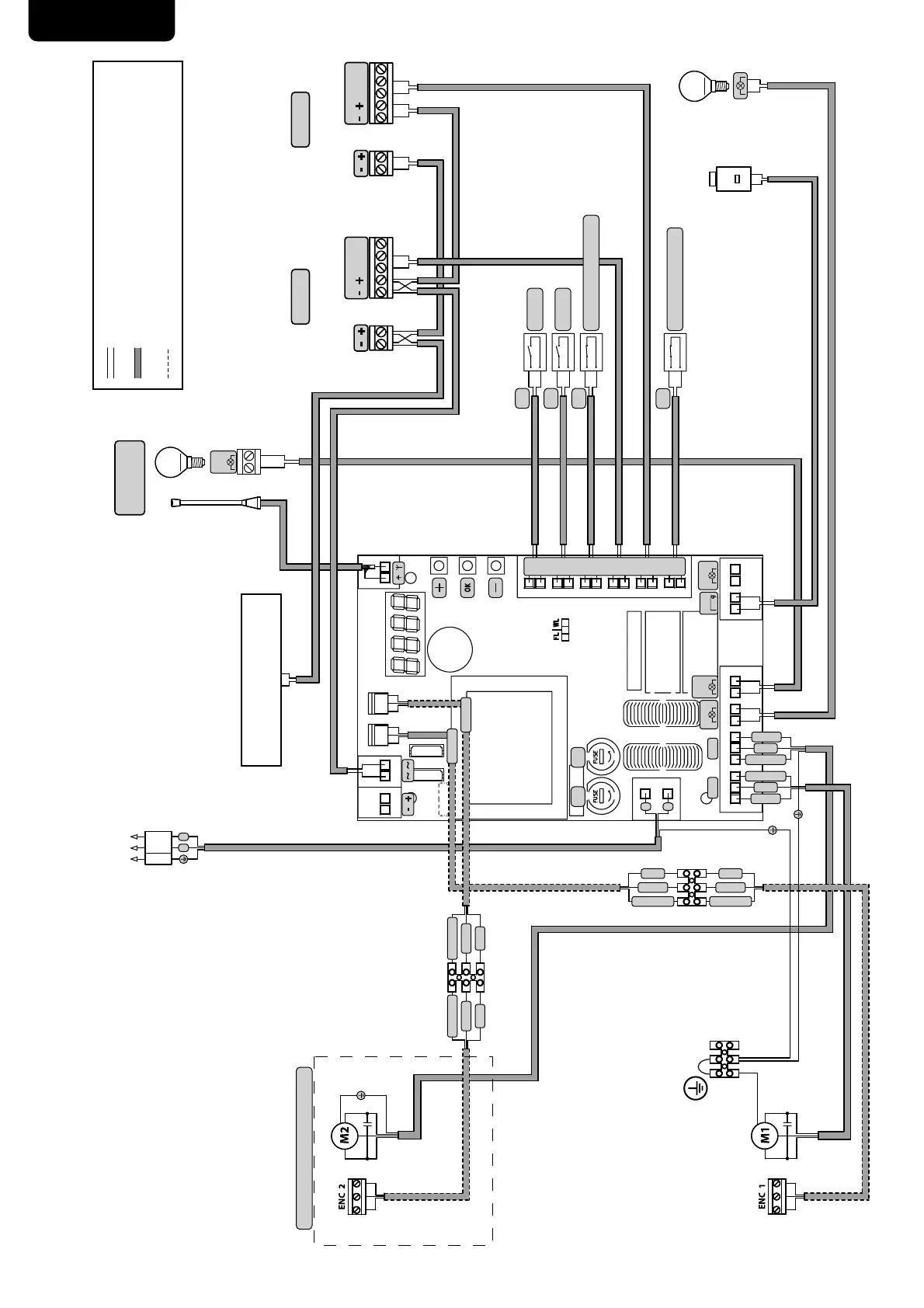
Схема электропроводки для 230B

Other manuals for Dea ghost 200

Related product manuals