EasyManua.ls Logo

Dea ghost 200 - Page 63

Dea ghost 200
Print Icon
To Next Page IconTo Next Page
To Next Page IconTo Next Page
To Previous Page IconTo Previous Page
To Previous Page IconTo Previous Page
Loading...
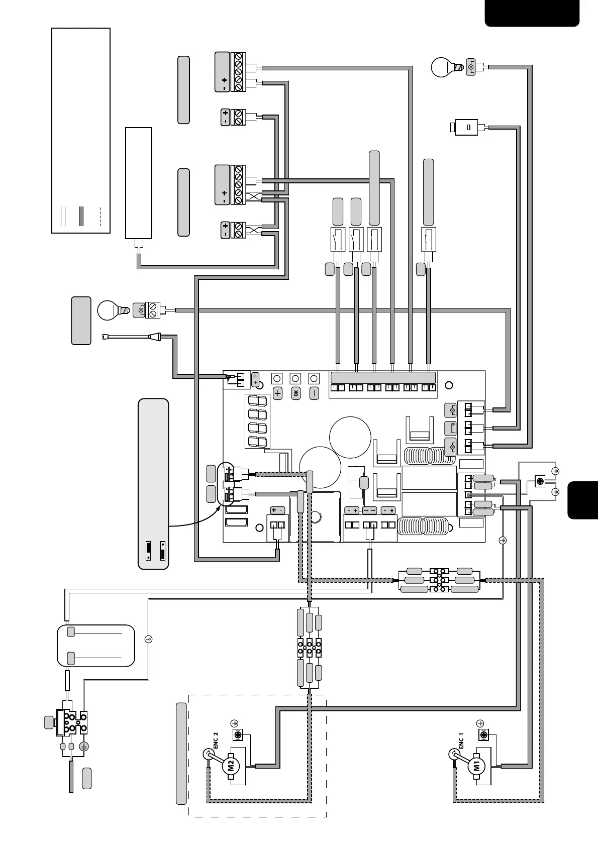
GHOST 200
61
RU
CON 1
7981011 12131415
16 17
18
19
20
21
22
23
24
25
26
27
28
29
33
32
2
1
4
3
6
5
ABAB
F2
FLASH
LOCK
WARNING
J5 J9
ɗɅȿɄɌɊɈɉɊɈȼɈȾɄȺɗɇɄɈȾȿɊȺɌɈɅɖɄɈȿɋɅɂɉɊɂɋɍɌɋɌȼɍȿɌ
ȼɇɍɌɊȿɇɇəəɉɊɈȼɈȾɄȺɉɊȿȾɍɋɆɈɌɊȿɇɇɎȺȻɊɂɄɈɃ
ȼɇȿɒɇəəɗɅȿɄɌɊɈɉɊɈȼɈȾɄȺɉɊȿȾɍɋɆɈɌɊȿɇɍɋɌȺɇɈȼɓɂɄɈɆ
Н.О.
Н.О.
RG58
Н.З.
START
PED
TX RX
TX RX
Привод 2 (ɬɨɥɶɤɨɟɫɥɢɩɪɢɫɭɬɫɬɜɭɟɬ
ɋɂȽɇȺɅɖɇȺəɅȺɆɉɈɑɄȺ
ȼɈɊɈɌȺɈɌɄɊɕɌɕ
ȼɆȺɄɋȼȺɌɌ
ɗɅȿɄɌɊɈɁȺɆɈɄ
art.110
FLASH
AURA N
МАКС 15ВАТТ
2 x 1 mm
2
2 x 1 mm
2
2 x 0,5 mm
2
2 x 0,5 mm
2
2 x 0,5 mm
2
2 x 0,5 mm
2
2 x 0,5 mm
2
2 x 0,5 mm
2
2 x 0,5 mm
2
2 x 0,5 mm
2
3 x 1,5 mm
2
3 x 1,5 mm
2
3 x 0,22 mm
2
3 x 0,22 mm
2
Н.З.
2 x 0,5 mm
2
ОБЩ.
Н.З.
Н.О.
ОБЩ.
Н.З.
Н.О.
230V
22V
F
N
ɌɊȺɇɋɎɈɊɆȺɌɈɊ
ȼȼ
ɉɂɌȺɇɂȿ
ȼaȽɰ
F1
STOP (ɟɫɥɢɧɟɨɛɯɨɞɢɦ
2 x 0,5 mm
2
SAFETY (ɟɫɥɢɧɟɨɛɯɨɞɢɦ
A
ɉɨɡɢɰɢɹȺ ɩɪɢɜɨɞɵɫɷɧɤɨɞɟɪɨɦɧɟɡɚɛɭɞɶɬɟɭɫɬɚɧɨɜɢɬɶ3 
B
ɉɨɡɢɰɢɹȼ ɩɪɢɜɨɞɵɛɟɡɷɧɤɨɞɟɪɚɧɟɡɚɛɭɞɶɬɟɭɫɬɚɧɨɜɢɬɶ3 
ɑɬɨɛɵɬɟɪɦɢɧɚɥɞɥɹɧɨɪɦɚɥɶɧɨɣɫɜɹɡɢ
ɑɬɨɛɵɬɟɪɦɢɧɚɥɞɥɹɤɨɧɬɪɨɥɢɪɭɟɦɵɯ
ɭɫɬɪɨɣɫɬɜɛɟɡɨɩɚɫɧɨɫɬɢ3
ЭНКОДЕР 1
ЭНКОДЕР 2
ФОТОЭЛЕМЕНТЫ 2ФОТОЭЛЕМЕНТЫ 1
КОРИЧНЕВЫЙ
БЕЛЫЙ
ЗЕЛЕНЫЙ
КОРИЧНЕВЫЙ
БЕЛЫЙ
ЗЕЛЕНЫЙ
КОРИЧНЕВЫЙ
БЕЛЫЙ
ЗЕЛЕНЫЙ
КОРИЧНЕВЫЙ
БЕЛЫЙ
ЗЕЛЕНЫЙ
КРАСНЫЙ
СИНИЙ
КРАСНЫЙ
СИНИЙ
COM
IN_1
COM
IN_2
COM
IN_3
COM
IN_4
COM
IN_5
COM
IN_6
Схема электропроводки для 24B

Other manuals for Dea ghost 200

Related product manuals