EasyManua.ls Logo

Dea SPACE XXL - Page 59

Dea SPACE XXL
Print Icon
To Next Page IconTo Next Page
To Next Page IconTo Next Page
To Previous Page IconTo Previous Page
To Previous Page IconTo Previous Page
Loading...
57
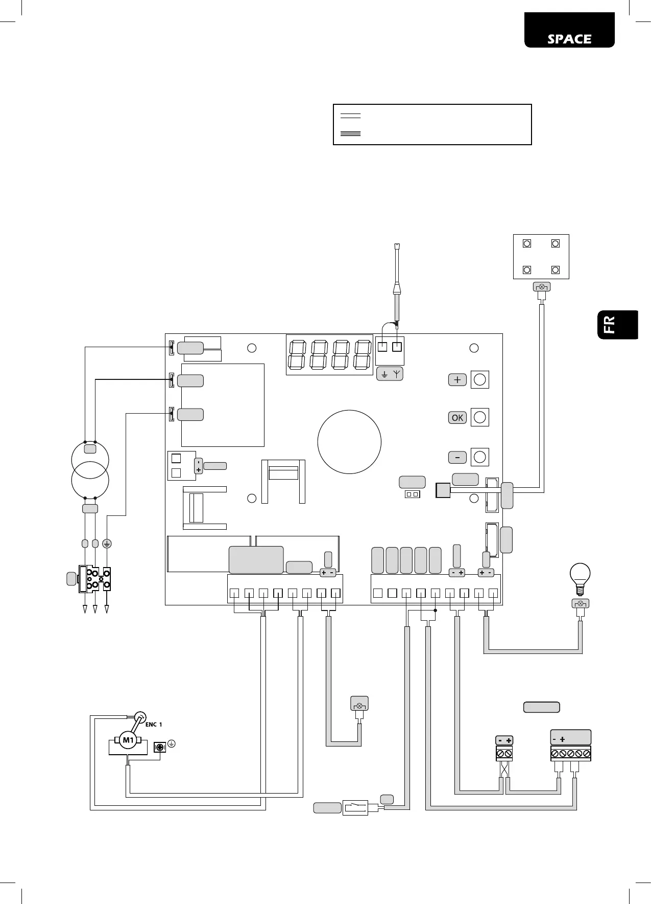
SCHÉMA ÉLECTRIQUE SPACE XL/SPACE XXL
J4
178 9 13 14 15 1610 11 124 5 6 71 2 3
19 18
21
20
OUT 1
IN 4
IN 3
MOT 1
IN 2
IN 1
COM
OUT 2
+24V_ST
CON1
CON2
CON2
CON4
+24VAUX
ENC (M1)
ENC A
+
ENC B
-
RG58
F1
F
N
230V
25V
TX RX
COM
N.C.
N.O.
N.O.
START
2 x 0,5 mm
2
PHOTO 1
2 x 0,5 mm
2
2 x 0,5 mm
2
2 x 0,5 mm
2
2 x 0,5 mm
2
ALIMENTATION
230V~ 50Hz ±10%
H05VV-F 3x0,75mm
2
LAMPE TÉMOIN
PORTAIL OUVERT
24V max 5W
LAMPE DE
COURTOISIE
CÂBLAGES INTERNES PRÉDISPOSÉS PAR L’USINE
CÂBLAGES EXTERNES PRÉDISPOSÉS PAR L’INSTALLATEUR
CLIGNOTANT
24V max 5W
2 x 0,5 mm
2
CON5
2 x 0,5 mm
2
FLASH
MOT 1
CON3

Table of Contents

Related product manuals