EasyManua.ls Logo

DeDietrich DED700X - Cabling Diagram

DeDietrich DED700X
51 pages
Print Icon
To Next Page IconTo Next Page
To Next Page IconTo Next Page
To Previous Page IconTo Previous Page
To Previous Page IconTo Previous Page
Loading...
18
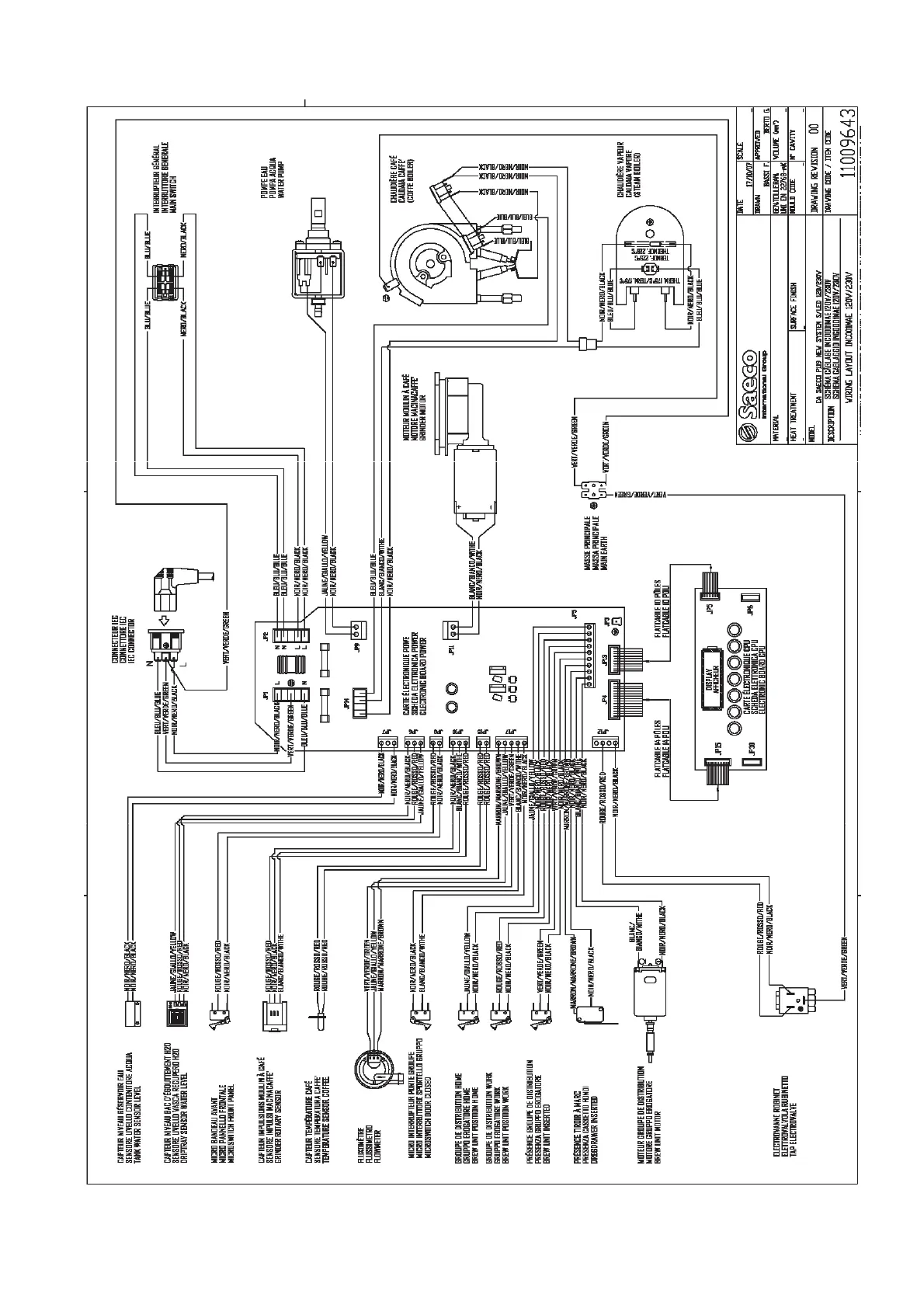
4.1 Cabling diagram

Related product manuals