EasyManua.ls Logo

DeDietrich DED700X - Hydraulics Operating Diagram

DeDietrich DED700X
51 pages
Print Icon
To Next Page IconTo Next Page
To Next Page IconTo Next Page
To Previous Page IconTo Previous Page
To Previous Page IconTo Previous Page
Loading...
22
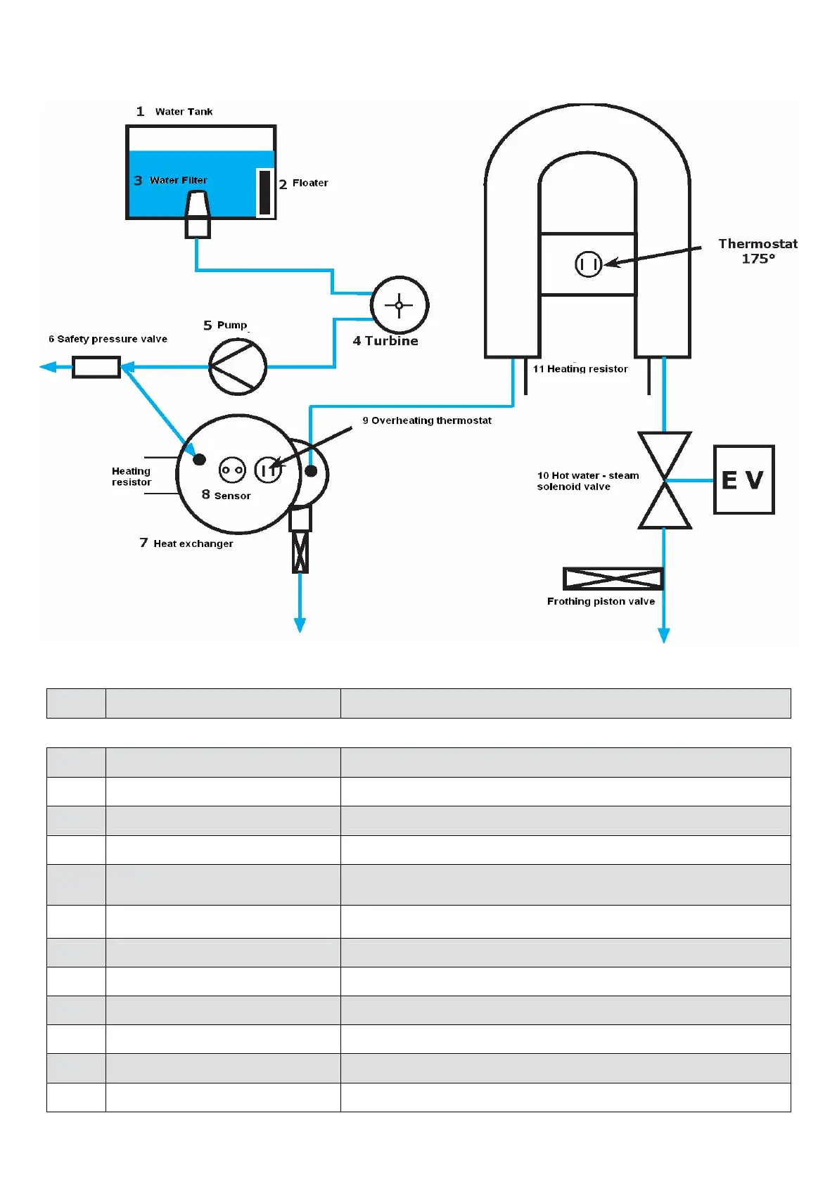
5.1 Hydraulics operating diagram
Component Function
1 Water tank Water supply
2 Floater Water shortage detection
3 Water filter Elimination of solid matter from the water
4 Turbine Measures flow per impulse, sets quantities
5 Pump
Water flow / pressure
(15 bar)
6 Pressure safety valve Protects the circuit from over pressuring (opens at 17-19 bars)
7 Heat exchanger / heater Heats for water, coffee, steam distribution.
8 Temperature sensor Transmits current temperatures to the electronics
9 Overheating thermostat Switches off the machine in the event of overheating
10 Hot water – steam tap When open supplies hot water or steam
11 Tube boiler For steam distribution
12 Frother nozzle valve Opens if the nozzle obstructs

Related product manuals