EasyManua.ls Logo

Deep Blue mPULSE3000 - Instructions for Voltage Manual Select Switch

Default Icon
11 pages
Print Icon
To Next Page IconTo Next Page
To Next Page IconTo Next Page
To Previous Page IconTo Previous Page
To Previous Page IconTo Previous Page
Loading...
6
FOR SWIMMING POOL PROFESSIONALS ONLY
TO SWITCH FROM A 220/230V UNIT TO 110/115V UNIT
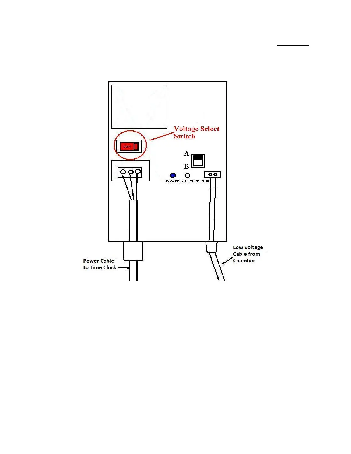
After turning off the power to your unit, remove the protective plate by removing
the three screws holding it on. You will see the equivalent of the above diagram.
Note the circled Voltage Select Switch. Default position of this unit is 220/230V.
The majority of swimming pool equipment sets are provided with 220-240V
electrical power. If you come across a swimming pool that instead utilizes
100-120V power, please use the following instructions:
1. Using a flat-head screwdriver, place it in the slot in the Voltage Select
Switch currently labeled 230V.
2. Move the Voltage Select Switch to the left carefully, until it reaches the far
left side and reads 115V.
Replace the protective plate (screw torque: 25-in lbs) and continue with use of the
MPULSE 3000
®
.