EasyManua.ls Logo

Delco VERSA 100 - Machine Assembly Drawing (Stainless Steel Models)

Delco VERSA 100
28 pages
Print Icon
To Next Page IconTo Next Page
To Next Page IconTo Next Page
To Previous Page IconTo Previous Page
To Previous Page IconTo Previous Page
Loading...
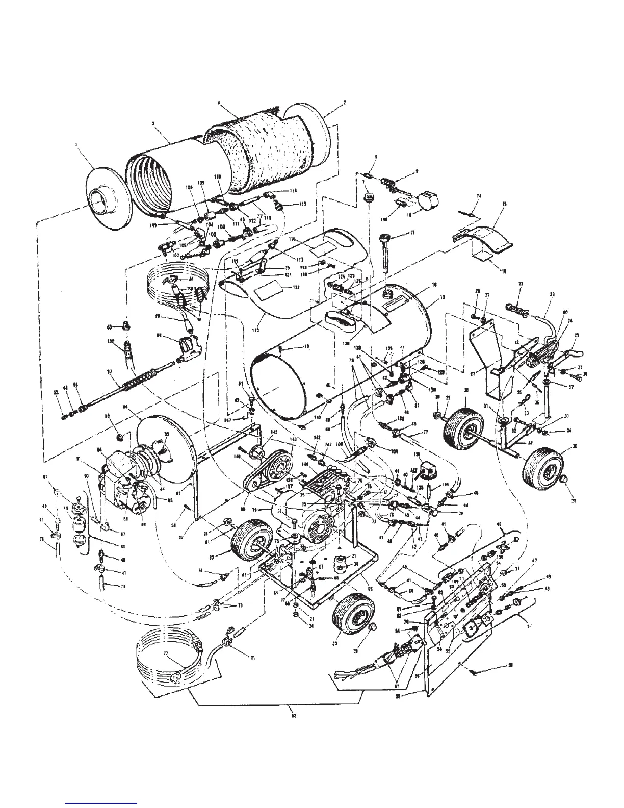
Page 24 Versa 100/100C Owner's Manual
Delco Versa 100C-200C Stainless Steel
Machine Assembly Drawing

Related product manuals