EasyManua.ls Logo

DeLonghi ECAM21.210 - Page 2

DeLonghi ECAM21.210
37 pages
Print Icon
To Next Page IconTo Next Page
To Next Page IconTo Next Page
To Previous Page IconTo Previous Page
To Previous Page IconTo Previous Page
Loading...
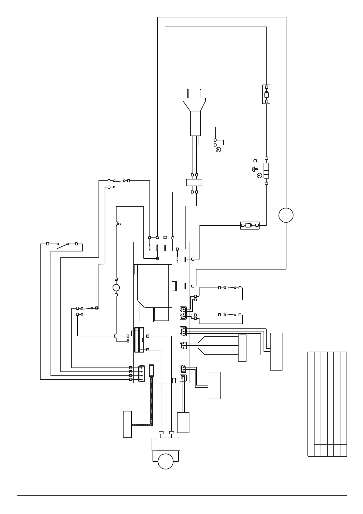
SCHEMA ELETTRICO / ELECTRICAL DIAGRAM
BIANCO/WHITE
BIANCO/WHITE
ROSSO/RED
ROSSO/RED
VERDE/GREEN
BIANCO/WHITE
BIANCO/WHITE
ROSSO/RED
ROSSO/RED
ROSSO/RED
BIANCO/WHITE
BIANCO/WHITE
NERO/BLACK
NERO/BLACK
BIANCO/WHITE
MARRONE/BROWN
MARRONE/BROWN
MARRONE/BROWN
MARRONE/BROWN
MARRONE/BROWN
BLU/BLUE
BLU/BLUE
GIA-VER/YLW-GRN
GIA-VER
YLW-GRN
ROSSO/RED
NERO/BLACK
SENSORE REED
REED SENSOR
SONDA TEMP.
TEMP. PROBE
FLUSSIMETRO
FLOWMETER
TCO
THERMAL CUT OFF
TCO
THERMAL CUT OFF
CALDAIA/BOILER
PUMP THERMAL PROTECTOR
MOTOPROTETTORE POMPA
INTERRUTTORE ON/OFF
ON/OFF SWITCH
CELLA DI HALL
HALL CELL
MOTORE TRASMISSIONE
TRANSMISSION MOTOR
+
-
+
-
POMPA/PUMP
P
SCHEDA POTENZA
POWER BOARD
I
0
M
MACININO/COFFEE GRINDER
M
SCHEDA DISPLAY
DISPLAY PCB
LEGENDA MICRO / MICROSWITCHES
Infusore alto / Infuser top position
Infusore basso / Infuser bottom position
Cassetto fondi / Coffee grounds container
Tanica / Tank
Rubinetto / Tap
M1
M2
M3
M4
M5
M2
M3
M4
M1
M5
J5
J13
J1
J9
J6
J7
J8
J4
F1
F2
F3
F4
F5
F8
F7
1
2
3
4
A
B
A
B
B
A
A
A
B
B
B
C
D
D
A
C
B
SCHEDA TECNICA ST1516/20092