EasyManua.ls Logo

Delta DVP04PT-E2 - Page 15

Delta DVP04PT-E2
20 pages
Print Icon
To Next Page IconTo Next Page
To Next Page IconTo Next Page
To Previous Page IconTo Previous Page
To Previous Page IconTo Previous Page
Loading...
- 14 -
………………………………………………………………… 简体中文 ……………………………………………………………………
感谢您采用台达 DVP 系列产品。DVP04/06PT-E2 温度测量模块接受外部 4/6 点热电阻温
度传感器, 将其转换成 16 位的数字量信号。使用者可选择摄氏温度(°C)或华氏(°F)温度,
摄氏温度输入分辨率为 0.1°C, 华氏温度输入分辨率为 0.18°F。并可透过主机以 FROM /
TO 指令来读写模块内数据,或者以 MOV 指令直接读取对应通道平均值(请参阅 D9900 ~
D9999 特殊寄存器使用说明)
本安装说明书提供给使用者电气规格、功能规格、安装配线的相关注意事项。其它详
细之程序设计及指令说明请见 DVP-ES2 操作手册【程序篇】,选购的周边装置详细说
明请见该产品随机安装说明书。
本机为开放型 (OPEN TYPE) 机壳,因此使用者使用本机时,必须将其安装于具防尘、
防潮及免于电击/冲击意外的外壳配线箱内。另必须具备保护措施(如:特殊的工具或
钥匙才可打开)防止非维护人员操作或意外冲击本体,造成危险及损坏。
交流输入电源不可连接于输入/出信号端,否则可能造成严重损坏,请在上电之前再次
确认电源配线。请勿在上电时触摸任何端子。本体上的接地端子 务必正确的接地,
可提高产品抗干扰能力。
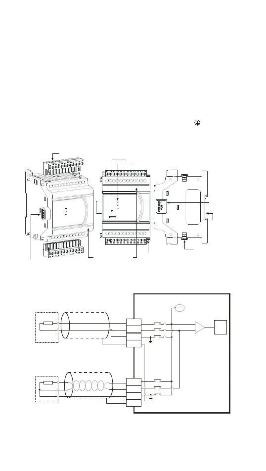
产品外观尺寸与部位介绍
输出/入端子编号
I/O 模块连接
电源、 及错误指示灯A->D
机种型号
直接固定孔
DIN (35mm) 轨槽
I/O 模块连接埠
I/O 模块固定扣
脱落式输出/入端子
04PT-E2
4AI- PT
详细尺寸图请参阅英文版之 Figure2,单位:mm
外部配线
Ni100Pt100,JPt100,
Cu50, C u100/
Ni 10 00, P t1 0 00 ,
LG-Ni1000 *3
,
AG
*1
ADC
AG
INA
*1
CH1
2-Wire
CH4
3-Wire
O1+
I1+
I1-
0~300
Ni100/Ni1000/Pt100/Pt1000
Cu50/Cu100/JPt100/LG -Ni1000
Ω , 0~3000Ω
0~300
Ni100/Ni1000/Pt100/Pt1000
Cu50/Cu100/JPt100/LG-Ni1000
Ω, 0~3000Ω
FE
O4+
I4+
I4-
FE
隔离线
隔离线
*1使用于模拟输入的配线应采用 Ni100/Ni1000Pt100/Pt1000Cu50/Cu100JPt100LG-Ni1000
或其它本文定义的温度传感器之连接线或双绞隔离线且应与其他电源线或可能引起噪声之接
线分开。请使 3 线式温度传感器若欲使用 2 线式温度传感器时,请将 In+In-短接n=1~6
*2量测电阻 0~300Ω/0~3000Ω 时,建议使用 2 线式或是 3 线式即可,不需使用到 4 线式传感器。

Related product manuals