EasyManua.ls Logo

Delta VFD055B23A - B.11.3 Operation Flow Chart

Delta VFD055B23A
250 pages
Print Icon
To Next Page IconTo Next Page
To Next Page IconTo Next Page
To Previous Page IconTo Previous Page
To Previous Page IconTo Previous Page
Loading...
Appendix B Accessories_VFD-B Series
B-42 Revision 10/2005, BE13
XX
XX-XX
XXXXX
-END-
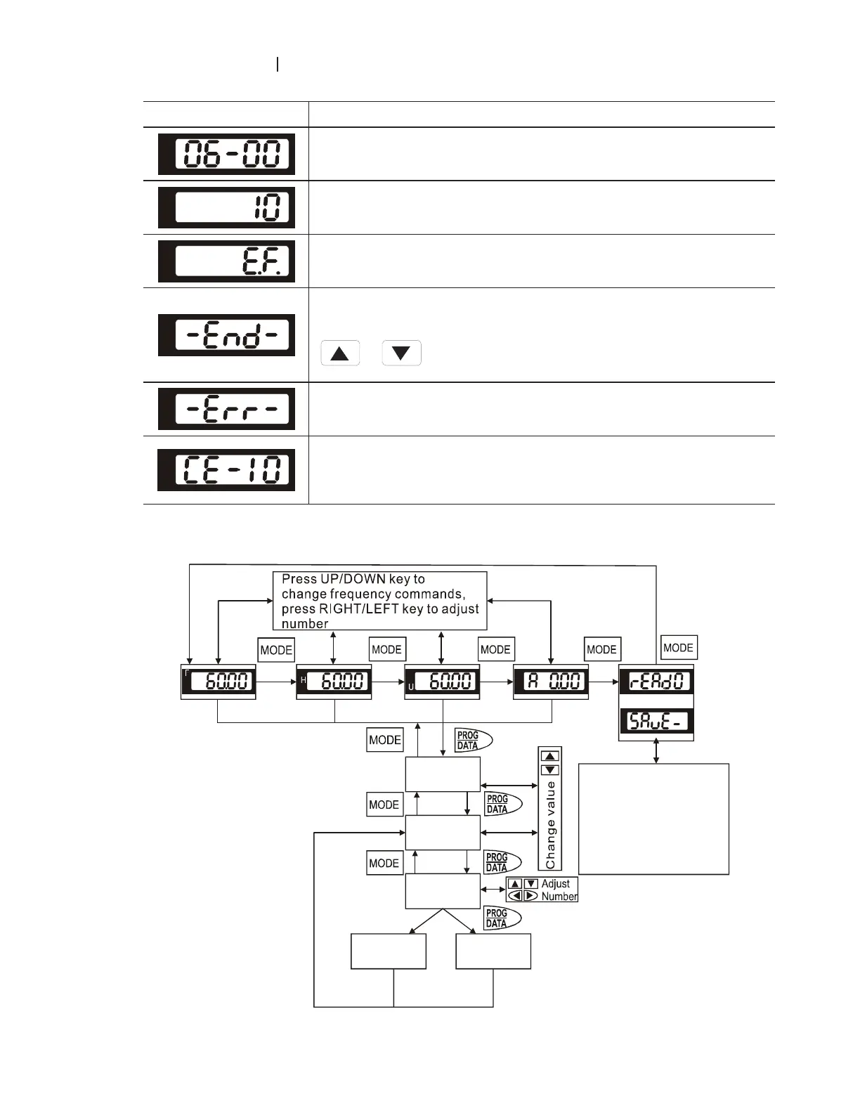
VFD-PU06 Operation Flow Chart
Cannot
write in
-ERR-
Or
Succeed to
Write in
Press UP key to select
SAVE or READ.
Press PROG/DATA for
about 2 seconds or until
it is flashing, then save
parameters
or read parameters
.
from PU06 to
AC drive
from AC drive to PU06
Display Message Descriptions
The specified parameter setting.
The actual value stored in the specified parameter.
External Fault
“End” displays for approximately 1 second if the entered input data have
been accepted. After a parameter value has been set, the new value is
automatically stored in memory. To modify an entry, use the
or keys.
“Err” displays if the input is invalid.
Communication Error. Please check the AC motor drive user manual
(Chapter 5, Group 9 Communication Parameter) for more details.
B.11.3 Operation Flow Chart

Table of Contents

Other manuals for Delta VFD055B23A

Related product manuals