EasyManua.ls Logo

Delta VFD150C43A-21 - Page 779

Delta VFD150C43A-21
1259 pages
Print Icon
To Next Page IconTo Next Page
To Next Page IconTo Next Page
To Previous Page IconTo Previous Page
To Previous Page IconTo Previous Page
Loading...
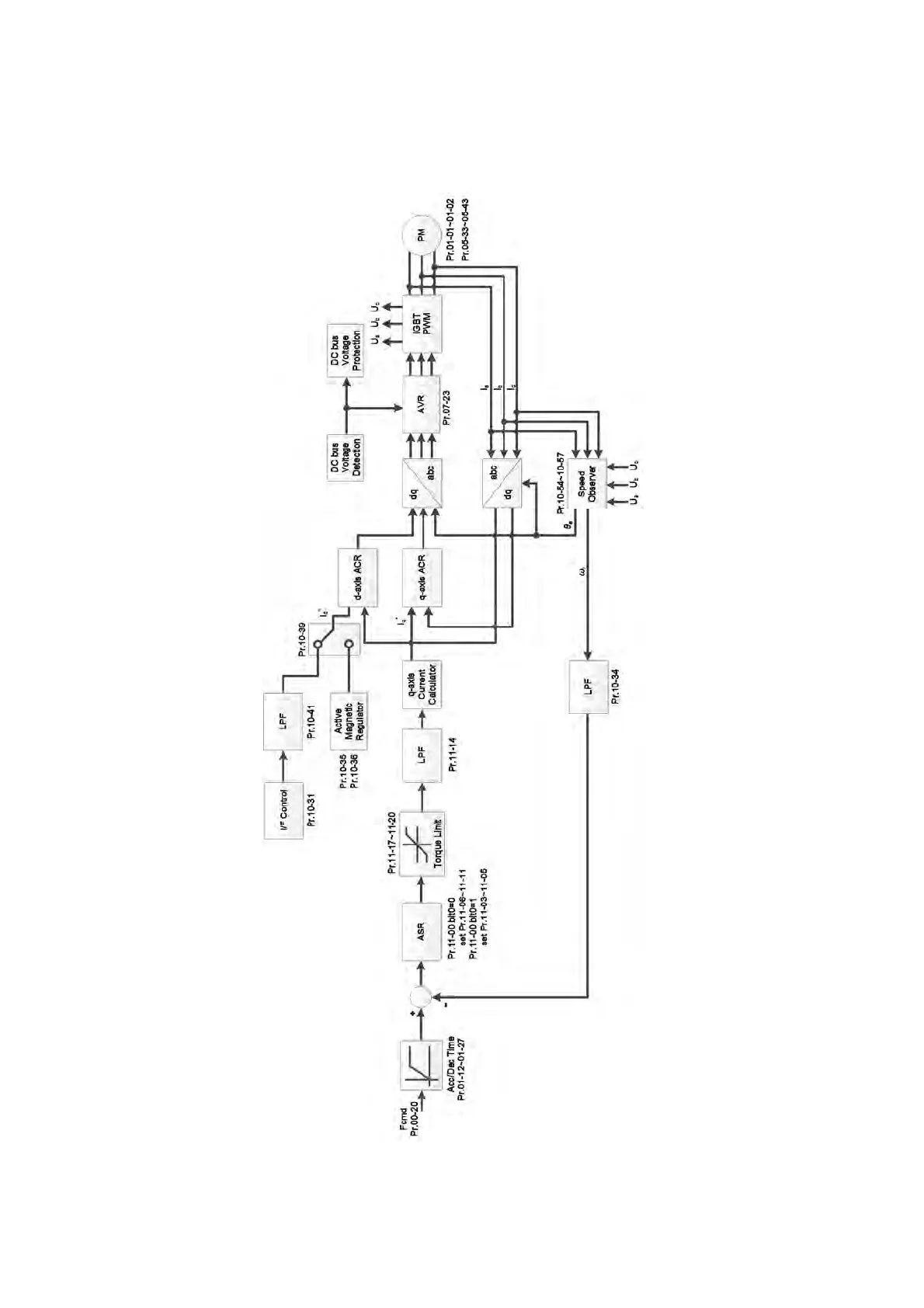
Chapter 12 Description of Parameter SettingsC2000 Plus
12.2-24
12-2-4
Permanent-Magnet Synchrounous, Sensorless Field-Oriented Control Adjustment
Procedure (PM Sensorless, Pr.00-11 = 6)
(Applicable for C2000 Plus firmware V3.05 and later)
Control diagram
NOTE: PMFOC Sensorless control is the control method dedicated for PM; it uses the high salient
pole characteristic of PM to detect positions of NS magnetic poles. By doing this, it calculates the
motor’s rotor position at low-speed frequency.

Table of Contents

Related product manuals