EasyManua.ls Logo

Delta VFD150C43A-21 - Page 787

Delta VFD150C43A-21
1259 pages
Print Icon
To Next Page IconTo Next Page
To Next Page IconTo Next Page
To Previous Page IconTo Previous Page
To Previous Page IconTo Previous Page
Loading...
Chapter 12 Description of Parameter SettingsC2000 Plus
12.2-32
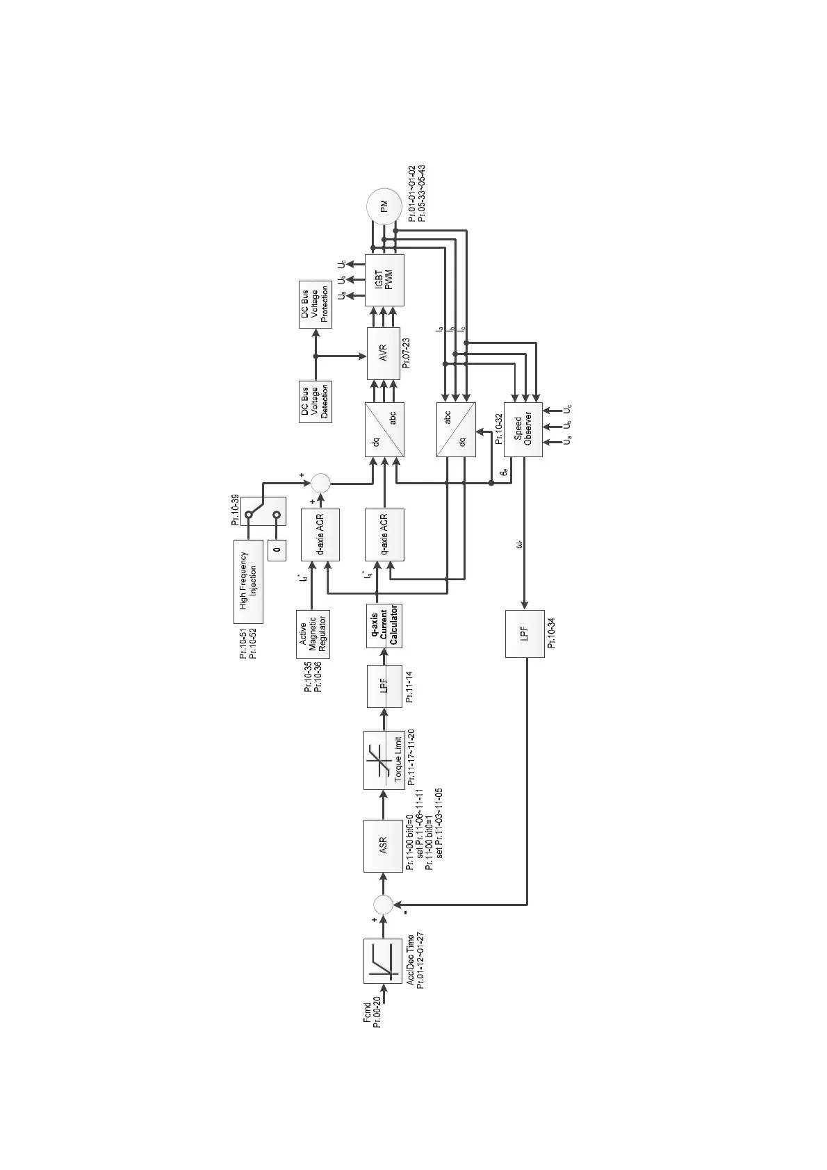
12-2-5 Interior Permanent-Magnet Synchrounous, Sensorless Fieled-Oriented Control
Adjustment Procedure (IPM Sensorless, Pr.00-11 = 7)
(Applicable for C2000 Plus firmware V3.05 and later)
Control diagram
NOTE: IPM Sensorless FOC control is the control method dedicated for IPM, it uses the high salient pole
characteristic (Lq > Ld) of IPM to detect the positions of NS magnetic poles. By doing this, it calculates the
motor’s rotor position at low-speed frequency.

Table of Contents

Related product manuals