EasyManua.ls Logo

Denon AVC-1508 - Page 357

Denon AVC-1508
368 pages
To Next Page IconTo Next Page
To Next Page IconTo Next Page
To Previous Page IconTo Previous Page
To Previous Page IconTo Previous Page
Loading...
87654321
A
B
C
D
E
F
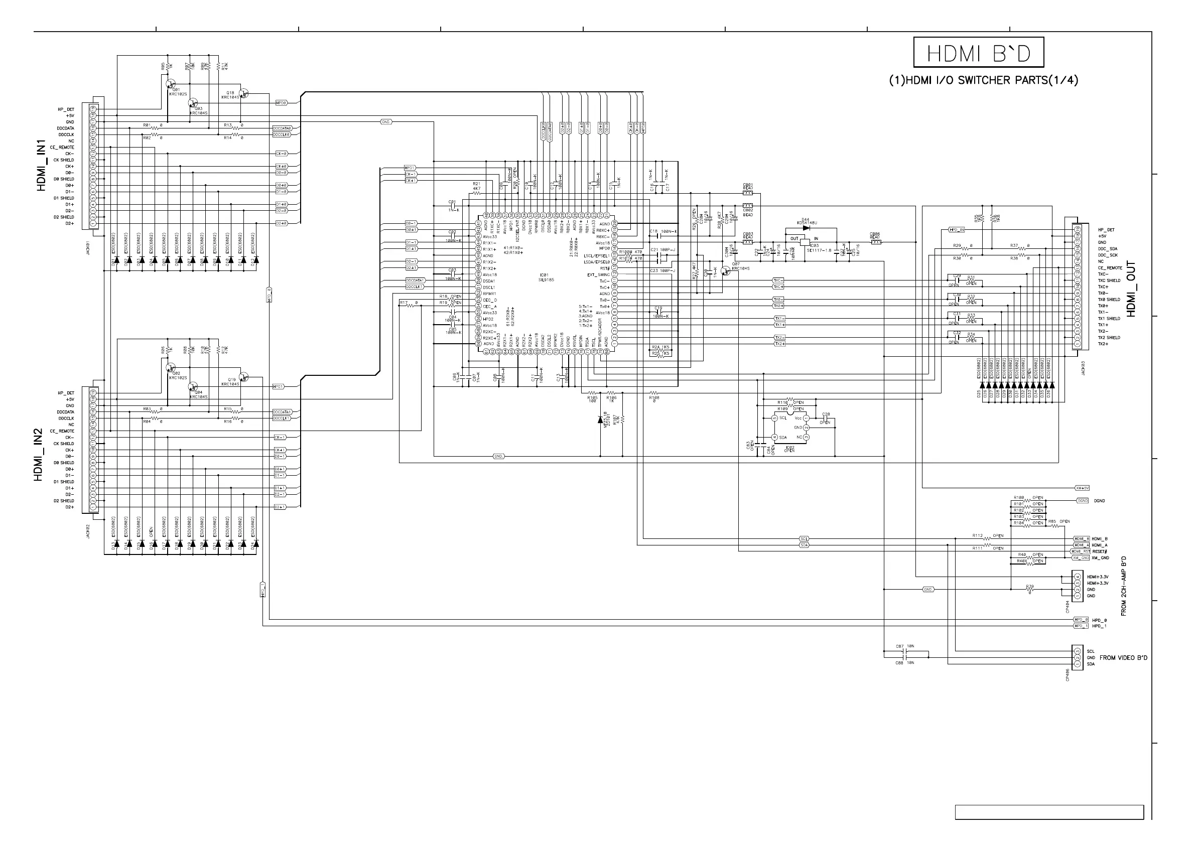
SCHEMATIC DIAGRAMS (9/20)
HDMI UNIT (1/4)
HDMI I/O SWITCHER PARTS
AVR-1708/1508/688/588/488 AVC-1508

Table of Contents

Related product manuals