EasyManua.ls Logo

Denon DCD-1420 - Wiring Diagram; System Interconnections

Denon DCD-1420
39 pages
Print Icon
To Next Page IconTo Next Page
To Next Page IconTo Next Page
To Previous Page IconTo Previous Page
To Previous Page IconTo Previous Page
Loading...
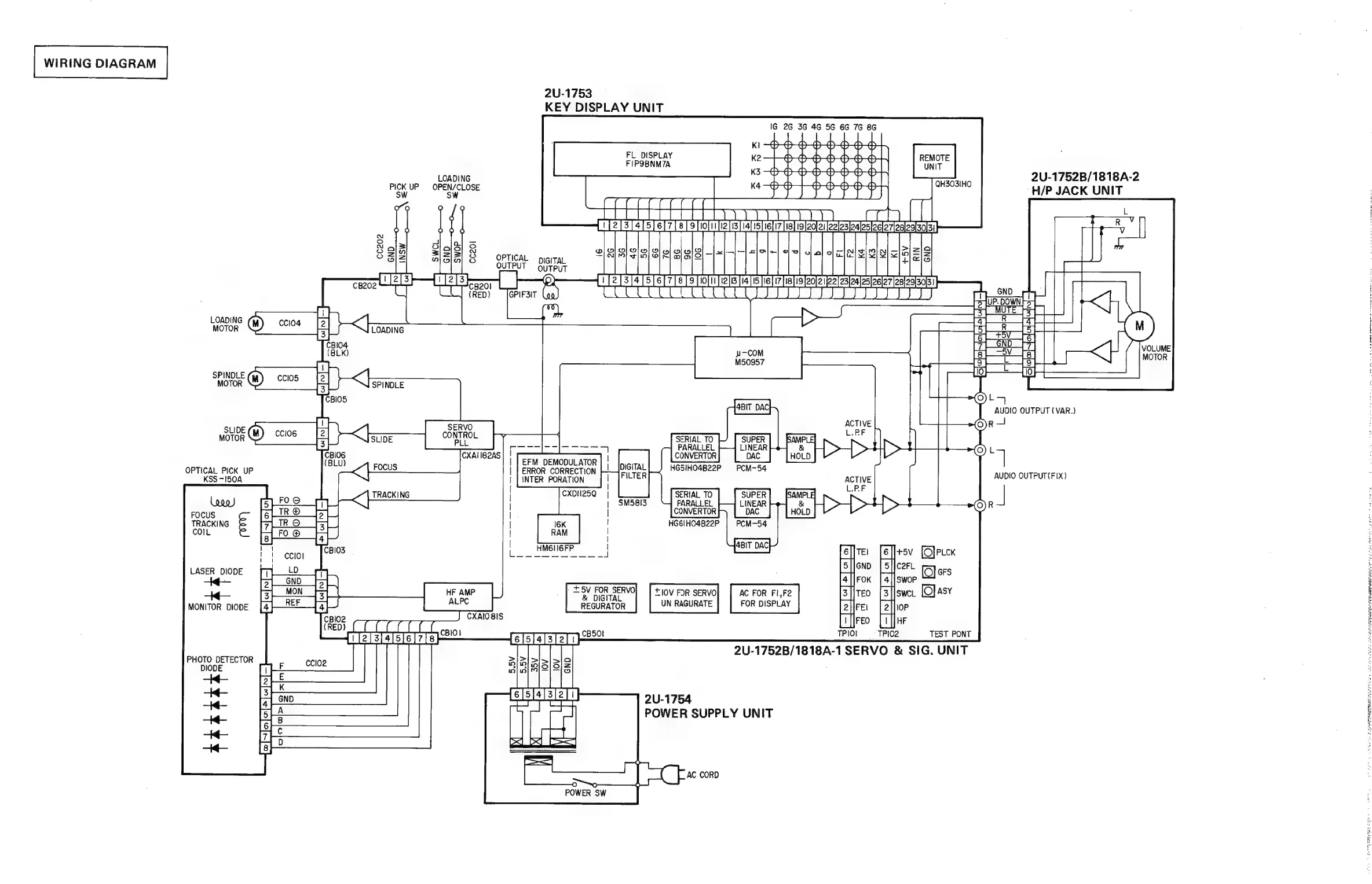
WIRING
DIAGRAM
2U-1753
KEY
DISPLAY
UNIT
IG
26
3G
46
5G
66
76
86
FL
DISPLAY
REMOTE
FIP9BNM7A
UNIT
LOADING
ECS
offerte]
Pee
es
T
is
Teel
ed
ode
ede
he
eo
ea
fdneldd
dad
errr
eel
4
)
J
im
ae
O
O ©
©)
‘@)
8
lz
Z|
ofS]
S
2]
©]
9]
©]
©
a
—loul
sim}
oy]
/3)
S33
Bl
B/S)
8
oPTICAL
pga
mer
|
ope
mi
i
oe
OUTPUT
OUTPUT
|
-—©)
[2[3]4
[5]
6]
[8
]9
Topi
Ti2]e
[ia]
PeeSeos
2
L!
|
12]
[i416
|i)
17
[is
|i9fao[2
22[23}ea]es|e6[27|28[29]308
|]
CS
ey
Ee
1
LOADING
MOTOR
wees.
SPINDLE
Fa
FINDLE
(Ww)
—CcIo5
al
|
y-COM
M50957
SPINDLE
ae
he
SERIAL
TO
PARALLEL
HG6IHO4B22P
r
(0)
|
CONVERTOR
|
|
EFM
DEMODULATOR
OPTICAL
PICK
UP
|
|
ERROR
CORRECTION
KSS
-I50A
|
|
INTER
PORATION
|
SERIAL
TO
|
PARALLEL
(0)
|
CONVERTOR
|
|
|
L
LASER
DIODE
i¢q-
=
ry
Rear
HIOV
FOR
SERVO
AC
FOR
Fl,F2
REGURATOR
UN
RAGURATE
FOR
DISPLAY
CB501
TPIOL
—-
TPIO2
TEST
PONT
2U-1752B/1818A-1
SERVO
&
SIG.
UNIT
spree
2U-1754
POWER
SUPPLY
UNIT
MONITOR
DIODE
PHOTO
DETECTOR
DIODE
ie
AC
CORD
2U-1752B/1818A-2
-H/P
JACK
UNIT
aaa
AUDIO
OUTPUT
(
VAR.)
Fs)
L
—i
AUDIO
OUTPUT(FIX)
PSS
RENT

Related product manuals