EasyManua.ls Logo

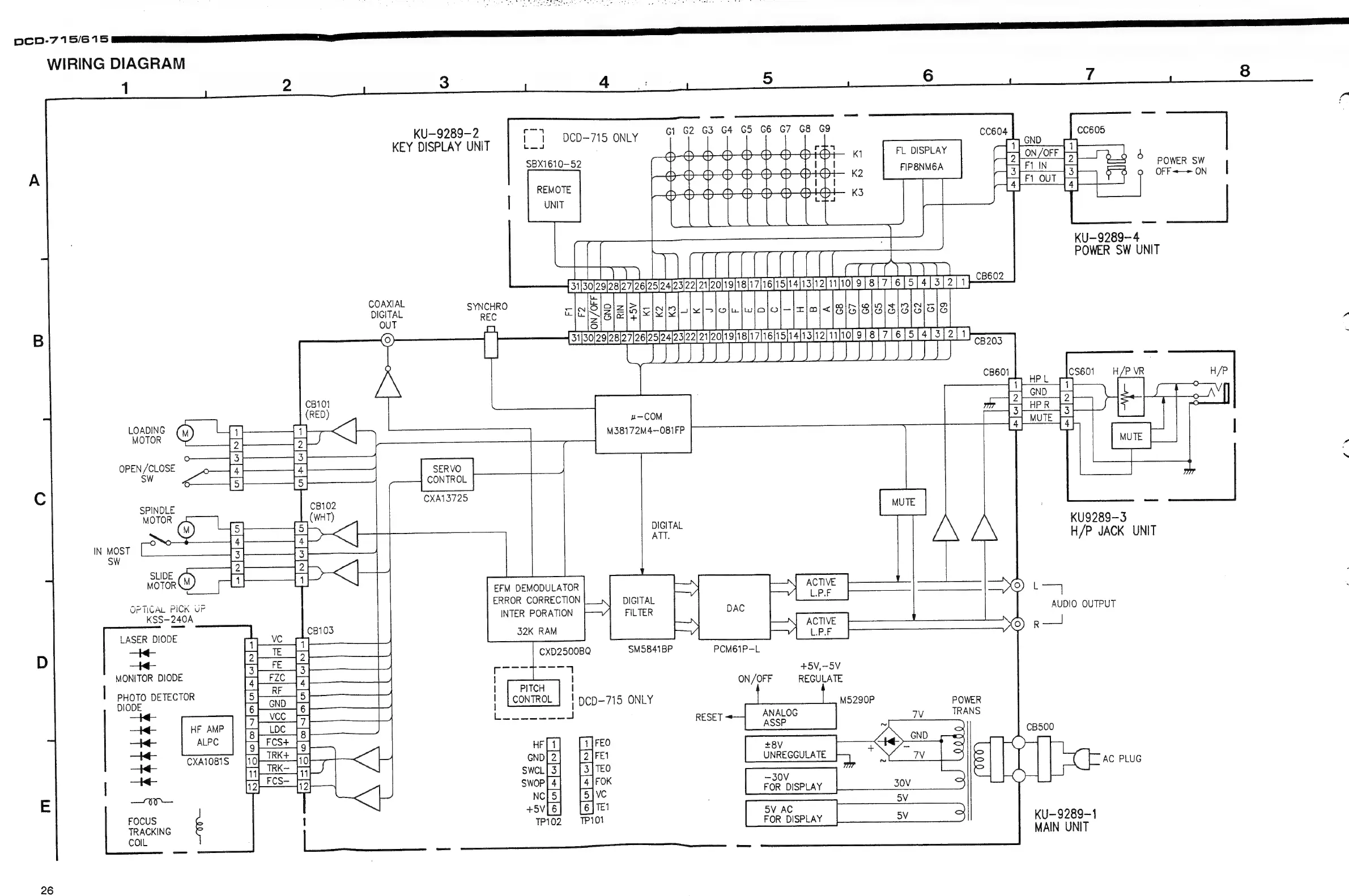
Denon DCD-615 - WIRING DIAGRAM; Key Display Unit Wiring; Power Switch Unit Wiring; H;P Jack Unit Wiring

Denon DCD-615
32 pages
Print Icon
To Next Page IconTo Next Page
To Next Page IconTo Next Page
To Previous Page IconTo Previous Page
To Previous Page IconTo Previous Page
Loading...
pcp-715/615
WIRING
DIAGRAM
26
1
LOADING
MOTOR
@)
4
OPEN
/CLOSE
SW
SPINDLE
MOTOR
IN
MOST
SW
SLIDE
MOTOR
Q
[=
[rofen]
]or]
[|r
]os
PTICAL
PICK
UF
KSS-240A
LASER
DIODE
+1
MONITOR
DIODE
|
PHOTO
DETECTOR
DIODE
HF
AMP
ALPC
CXA1081S
(ill
jer[
=
feofro[
|
Se
A
|
i
A
We
we
NO
<
oO
44
OISIS|SlzaINIalA
dela
eeh
[S]o[o|NJofo
fa
fos
|]
p2)
~
+
[S[=|
ala
o|n
fle
[=o
g
/\
3
4
5
6
7
KU-—9289-2
ae
G1
G2
G3
G4
G5
GB
G7
G8
G9
I
ol
DCD-71
CC604
ccé605
KEY
DISPLAY
UNIT
|
t~4
ae
oie
No
SBX1610—52
DDPP-PB-P-PH--4+-
+-—-_K1
FL
DISPLAY
ON/OFF
i
ue
PETER
TTT
[Leeann
|
FREE
comes
|
Fi
OUT
REMOTE
Seeteoeee
ary
ae
|
UNIT
1
le
RCL
En
eretsiaiei
sisope
92a
[2
7262
5[24[25122]
21120]
ahi
7116]15]1
4] 3]
2710]
918]
7
[6
[51413]
2
|
et
ae
COAXIAL
SYNCHRO
rs
=
met
vn
el
eal
LLL
bles
a
oO
CB602
[31/30]
ez2ifof
seh
765/14]
3]12]1
110]
98]
71615]
4]
51214]
(0)
i
31)30
SE
nse
u—COM
M38172M4—O081FP
CONTROL
EFM
DEMODULATOR
ERROR
CORRECTION
INTER
PORATION
-—v4
DIGITAL
FILTER
ae
32K
RAM
wc)
Wega
’P.
af}
——
CXD2500B0
SMSB41BP
PCM61P—L
a
ori:
ied
H
ON/OFF
REGULATE
=e
|
[picu
|
1
ff}
——
1
[CONTROL
}
|
pcD-715
ONLY
M5290P
ee
eae
se
eee
es
44
ANALOG
TRANS
yo
reser]
AUMOG
|
I
Fee
Hor
a
=
5V
FOR
DISPLAY
OV
TE
ae
as
Or
©)
r—
KU-9289-4
POWER
SW
UNIT
CS601_
H/PVR
H/P
=(L|O
c}U0jzZz)0
ESCUSIES
=
GS
Be
OO
O
a
ue
KU9289—3
H/P
JACK
UNIT
AUDIO
OUTPUT
KU-9289-1
MAIN
UNIT

Related product manuals